Запчасти Case 821E (06-05) - TRANSMISSION ASSY - HOUSING - PRIOR TO P.I.N. N7F203144 (06) - POWER TRAIN

Схема запчастей Case 821E - (06-05) - TRANSMISSION ASSY - HOUSING - PRIOR TO P.I.N. N7F203144 (06) - POWER TRAIN
22
7
9
16
14
16
13
22
11
10
23
15
5
8
23
1
2
20
3
15
17
21
18
6
19
4
4
12
17
FIT
1:1
100%

Артикул

Название

Примечание

Количество

87307482

TRANSMISSION

See Figure 06-02 - 06-19, 07-01; Prior To P.I.N. N7F203144

1шт.

87307482R

REMAN-TRANSMISSION

Remanufactured Transmission; 821E, Model Number 4WG210, Stock Number 4657 054 078 - ZF

1шт.

87307482C

CORE-TRANSMISSION

Return number

1шт.

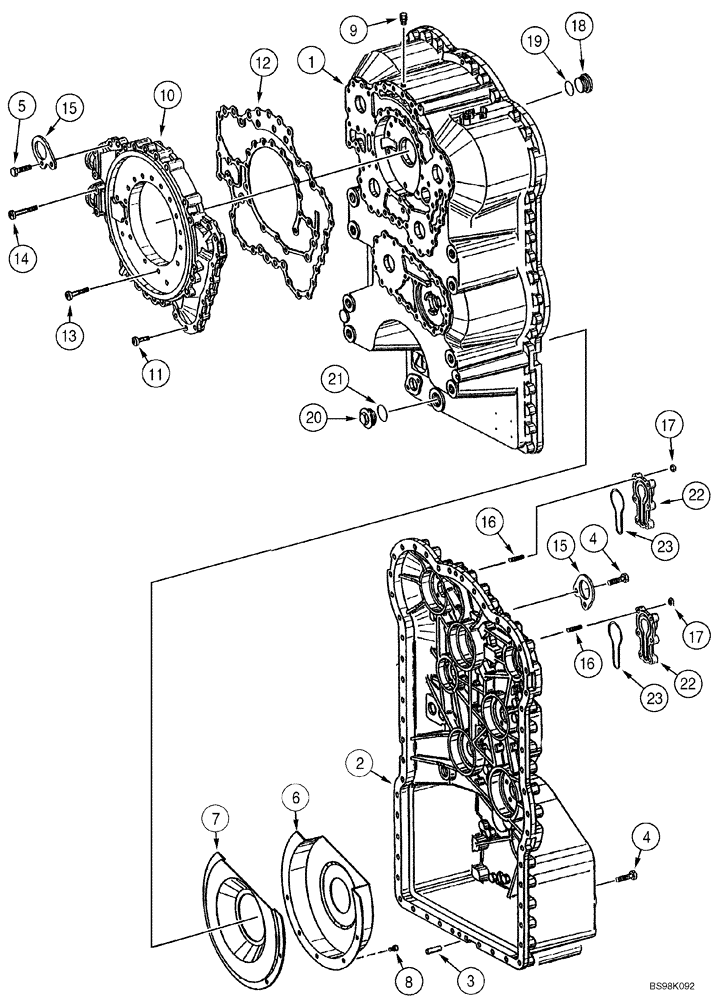
1

8604689

HOUSING

Front

1шт.

2

86989648

HOUSING

Rear

1шт.

3

8604712

DOWEL

2шт.

4

8603466

SCREW,M10 x 50mm

M10 x 50

53шт.

5

331689A1

CAPSCREW,M10 x 40mm

M10 x 65

2шт.

6

331688A1

SCREEN

1шт.

7

331687A1

SCREEN

1шт.

8

330806A1

CAPSCREW,M8 x 12mm

5шт.

9

8603214

BREATHER

1шт.

10

330807A1

HOUSING

1шт.

11

330808A1

CAPSCREW,Flg, 5/16" - 18 x 5", Gr 8

15шт.

12

330809A1

GASKET

1шт.

13

330810A1

CAPSCREW,M8 x 14mm

21шт.

14

330811A1

CAPSCREW,Flg, 5/16" - 18 x 5 1/2", Gr 8

4шт.

15

330817A1

LARGE PLATE

PLATE, LARGE

2шт.

16

8604714

STUD

M8 x 25

12шт.

17

330816A1

NUT

M8

12шт.

18

330818A1

PLUG

Incl. 19; If Used

1шт.

19

330819A1

O-RING

1шт.

20

330820A1

PLUG

Incl. 21

1шт.

21

8603318

O-RING

1шт.

22

330812A1

COVER

Incl. 23

2шт.

23

330813A1

O-RING

2шт.

Выбрано товаров: 26