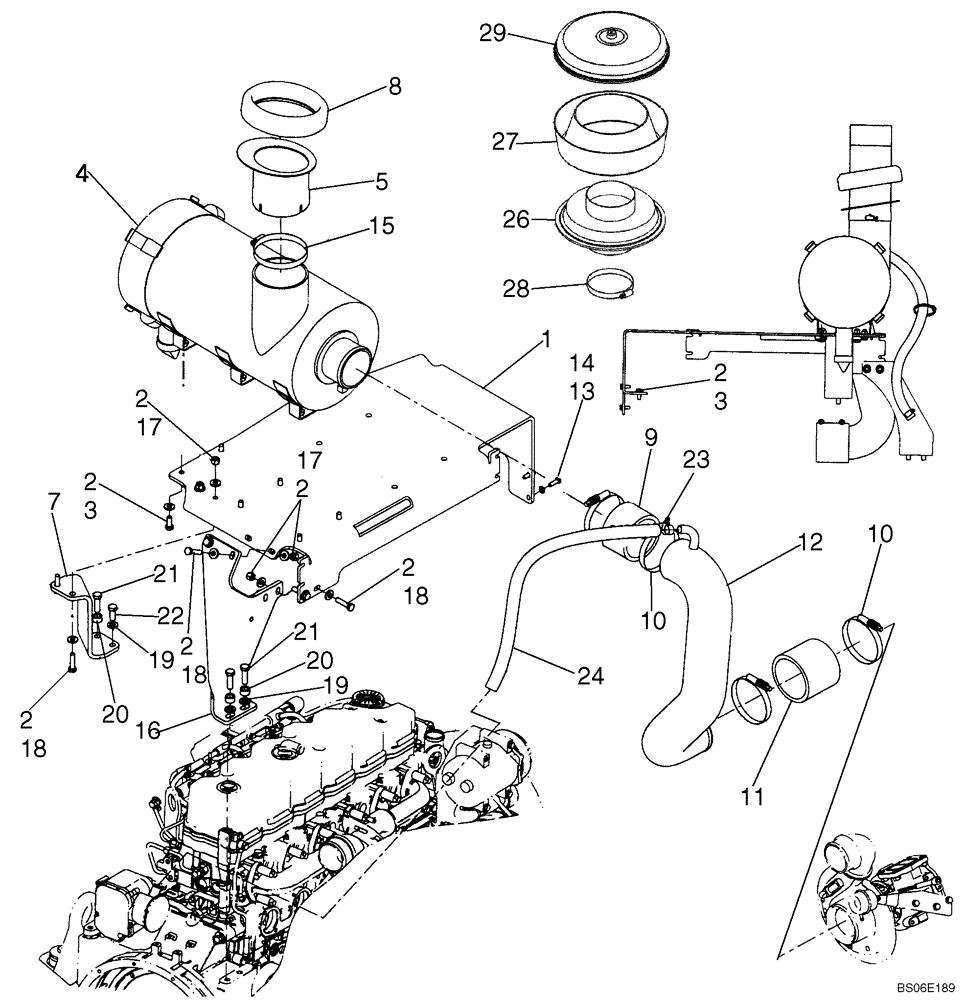
Запчасти Case 821E (02-05) - AIR CLEANER - AIR INTAKE PARTS (02) - ENGINE

Схема запчастей Case 821E - (02-05) - AIR CLEANER - AIR INTAKE PARTS (02) - ENGINE
3
19
15
2
5
2
14
22
20
20
18
7
2
21
2
9
12
18
18
19
10
28
27
26
2
11
23
2
13
3
2
17
24
8
10
1
29
17
16
21
4
FIT
1:1
100%

Артикул

Название

Примечание

Количество

1

87535471

SUPPORT

Air Cleaner Mounting

1шт.

2

896-15010

WASHER,11mm ID x 24mm OD x 3mm Thk

20шт.

3

627-10025

BOLT,Hex, M10 x 1.5 x 25mm, Cl 10.9, Full Thd

8шт.

4

87304649

AIR CLEANER

See Figure 02-06

1шт.

5

87314983

PIPE

Intake

1шт.

7

87535473

SUPPORT

Air Cleaner

1шт.

8

8500403

SEAL

1шт.

9

8501205

INTAKE AIR HOSE,101.60 mm ID x 73.00 mm, SAE J200

73 mm ( 2 7/8 in ); Air Cleaner

1шт.

10

L127771

CLAMP,107.95mm - 130.18mm

4шт.

11

8602478

INTAKE AIR HOSE,101.60 mm ID x 100.00 mm, SAE J200

100 mm ( 4 in ); Air Cleaner

1шт.

12

8602473

AIR INTAKE TUBE

Air Cleaner Intake

1шт.

13

896-11008

WASHER,9mm ID x 17mm OD x 2mm Thk

2шт.

14

627-8025

BOLT,Hex, M8 x 1.25 x 25mm, Cl 10.9, Full Thd

2шт.

15

214-3188

HOSE CLAMP,4-3/4" - 5-5/8", HD Worm

1шт.

16

84267619

SUPPORT

Left

1шт.

17

832-10410

NUT,M10 x 1.5, Cl 8

6шт.

18

627-10040

BOLT,Hex, M10 x 1.5 x 40mm, Cl 10.9, Full Thd

6шт.

19

896-11012

WASHER,13.5mm ID x 24mm OD x 3mm Thk

3шт.

20

D44696

BUSHING

Spacer 1/2 Pipe x 1/2

2шт.

21

627-12040

BOLT,Hex, M12 x 1.75 x 40mm, Cl 10.9, Full Thd

3шт.

22

627-12030

BOLT,Hex, M12 x 1.75 x 30mm, Cl 10.9, Full Thd

1шт.

23

214-1416

HOSE CLAMP,#16, 0.81" - 1.5", Type F Worm

2шт.

24

87342638

HOSE,19.05mm ID x 800mm L, SAE 30R2

Crankcase Ventilation

1шт.

258541A1

PRECLEANER

Air Inlet; Incl. 26 - 29

1шт.

26

NSS

NOT SOLD SEPARAT

Sleeve Assy.

1шт.

27

L30671

HOUSING

1шт.

28

214-1480

HOSE CLAMP,#80, 4.62" - 5.5", Type F Worm

1шт.

29

L30669

COVER

1шт.

Выбрано товаров: 28