Запчасти Case 821E (08-30) - VALVE ASSY - 3 LEVER LOADER CONTROL (08) - HYDRAULICS

Схема запчастей Case 821E - (08-30) - VALVE ASSY - 3 LEVER LOADER CONTROL (08) - HYDRAULICS
17
14
7
10
9
4
18
15
10
9
13
18
10
1
2
5
3
8
FIT
1:1
100%

Артикул

Название

Примечание

Количество

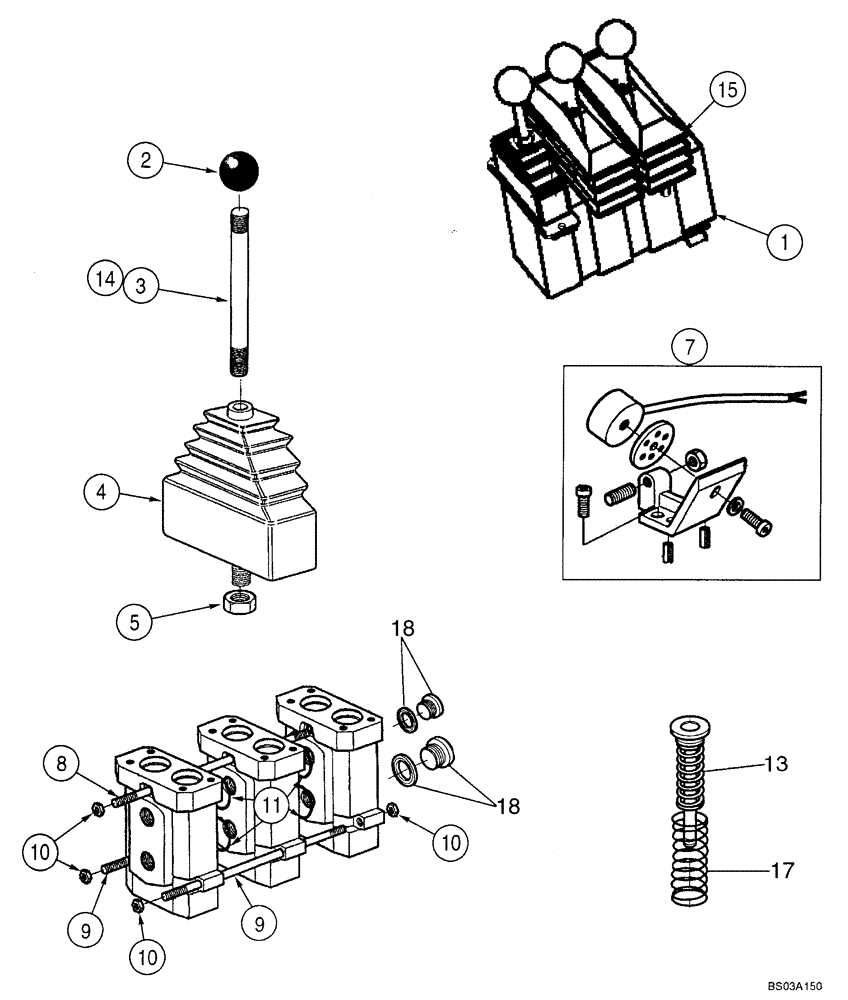
1

407869A2

VALVE, CONTROL

Three Lever; Three Spool; Incl. 2 - 19

1шт.

8604594

KIT

Handle; Incl. 2 - 5

1шт.

2

NSS

NOT SOLD SEPARAT

Knob

1шт.

3

NSS

NOT SOLD SEPARAT

Handle

1шт.

4

NSS

NOT SOLD SEPARAT

Boot

1шт.

5

NSS

NOT SOLD SEPARAT

Nut

1шт.

6

8604552

SOLENOID

Regulator Unit; Not Illustrated

2шт.

7

8604553

REPAIR KIT

Magnet

2шт.

8604554

KIT

Rod; Incl. 8 - 10

1шт.

8

NSS

NOT SOLD SEPARAT

Rod

1шт.

9

NSS

NOT SOLD SEPARAT

Rod

2шт.

10

NSS

NOT SOLD SEPARAT

Nut

6шт.

11

8604557

SEAL

Inter-Section

10шт.

12

8604555

KIT

Pin; Not Illustrated

3шт.

13

8604556

SPRING

Pack

3шт.

8604551

REPAIR KIT

Handle; Incl. 2, 5, 14, 15

2шт.

14

NSS

NOT SOLD SEPARAT

Handle

1шт.

15

NSS

NOT SOLD SEPARAT

Boot

1шт.

16

8604598

CONTROL VALVE

Section; Loader Control; Third; Not Illustrated

1шт.

17

8604607

SPRING

Pack

1шт.

18

8604608

MAGNETIC PLUG

Metric

3шт.

19

8604599

SPACER

Manifold; Not Illustrated

1шт.

REF

INSTRUCTION

FOLLOWING COMPONENTS MAY NOT BE ILLUSTRATED

1шт.

449527A1

SPRING

Return; Parker # 91283768

1шт.

449528A1

LEVER

Bucket; Parker # 9120089536

1шт.

449529A1

LEVER

Boom; Parker # 9120089656

1шт.

449530A1

MOUNTING PLATE

Parker #9120089308

1шт.

449533A1

SEAL KIT

Seal; Push Pin Set; Parker #9120089332

1шт.

449555A1

LEVER

Auxilary; Parker #9120089307

1шт.

Выбрано товаров: 0