Запчасти Case 821E (09-18) - FENDERS, FRONT - WIDE - ASN N8F203749 (09) - CHASSIS

Схема запчастей Case 821E - (09-18) - FENDERS, FRONT - WIDE - ASN N8F203749 (09) - CHASSIS
6
9
7
8
9
6
9
5
9
8
1
3
4
10
5
10
10
1
5
9
8
9
7
2
5
2
FIT
1:1
100%

Артикул

Название

Примечание

Количество

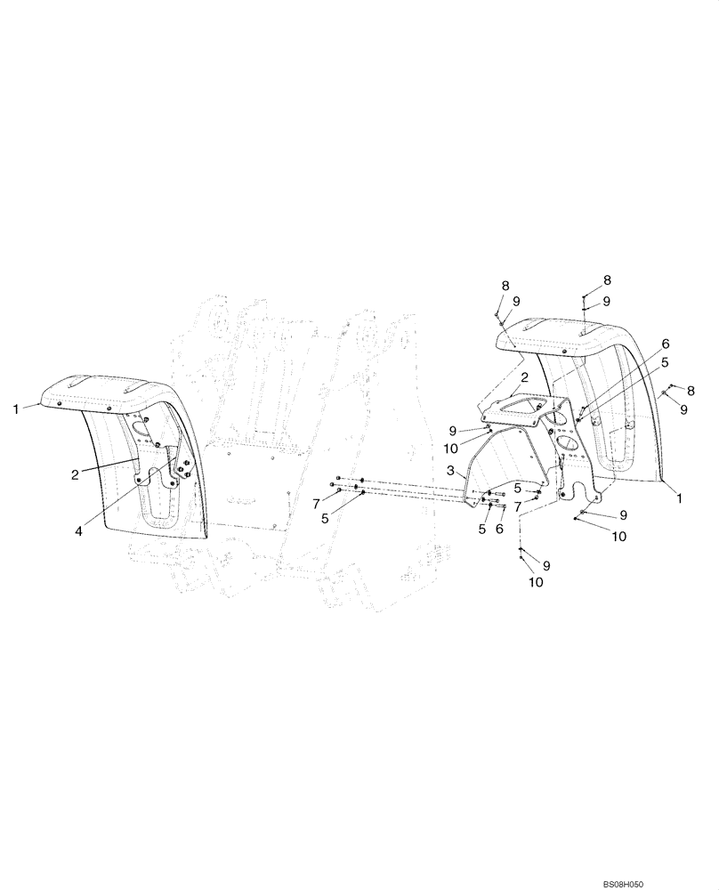
1

87610930

FRONT FENDER

Wide

2шт.

2

87676688

BRACKET

Fender

2шт.

3

87708333

BRACKET

LH Fender Support

1шт.

4

87708335

BRACKET

RH Fender Support

1шт.

5

896-15012

WASHER,13.5mm ID x 28mm OD x 4mm Thk

24шт.

6

827-12050

BOLT,Hex, M12 x 1.75 x 50mm, Cl 10.9

12шт.

7

832-10412

NUT,M12 x 1.75, Cl 8

12шт.

8

627-8030

BOLT,Hex, M8 x 1.25 x 30mm, Cl 10.9, Full Thd

12шт.

9

895-25008

WASHER,9mm ID x 24mm OD x 2mm Thk

24шт.

10

832-10408

NUT,M8 x 1.25, Cl 8.8

12шт.

Выбрано товаров: 0