Запчасти Case 821E (09-33) - COVERS - DRIVE BELT (WITHOUT AIR CONDITIONING) (09) - CHASSIS

Схема запчастей Case 821E - (09-33) - COVERS - DRIVE BELT (WITHOUT AIR CONDITIONING) (09) - CHASSIS
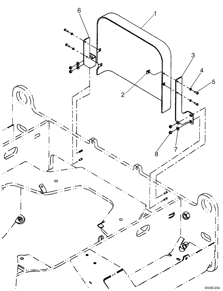
8
3
5
2
1
7
6
4
FIT
1:1
100%

Артикул

Название

Примечание

Количество

REF

INSTRUCTION

WITHOUT AIR CONDITIONING

1шт.

1

8501024

GUARD

1шт.

2

833-40306

SPRING NUT,M6, U

4шт.

3

87528976

BRACKET

Engine Guard Mounting; Left

1шт.

4

892-11006

LOCK WASHER,M6

4шт.

5

627-6020

BOLT,Hex, M6 x 1 x 20mm, Cl 10.9, Full Thd

4шт.

6

87528970

BRACKET

Engine Guard Mounting; Right

1шт.

7

895-15008

WASHER,9mm ID x 20mm OD x 1.6mm Thk

If Used

4шт.

7

895-15010

WASHER,11mm ID x 24mm OD x 2mm Thk

If Used

4шт.

8

832-10408

NUT,M8 x 1.25, Cl 8.8

If Used

4шт.

8

832-10410

NUT,M10 x 1.5, Cl 8

If Used

4шт.

Выбрано товаров: 11