Запчасти Case 821E (09-49A) - CAB - MIRRORS - EUROPE (P.I.N. N8F206417 AND AFTER) (09) - CHASSIS

Схема запчастей Case 821E - (09-49A) - CAB - MIRRORS - EUROPE (P.I.N. N8F206417 AND AFTER) (09) - CHASSIS
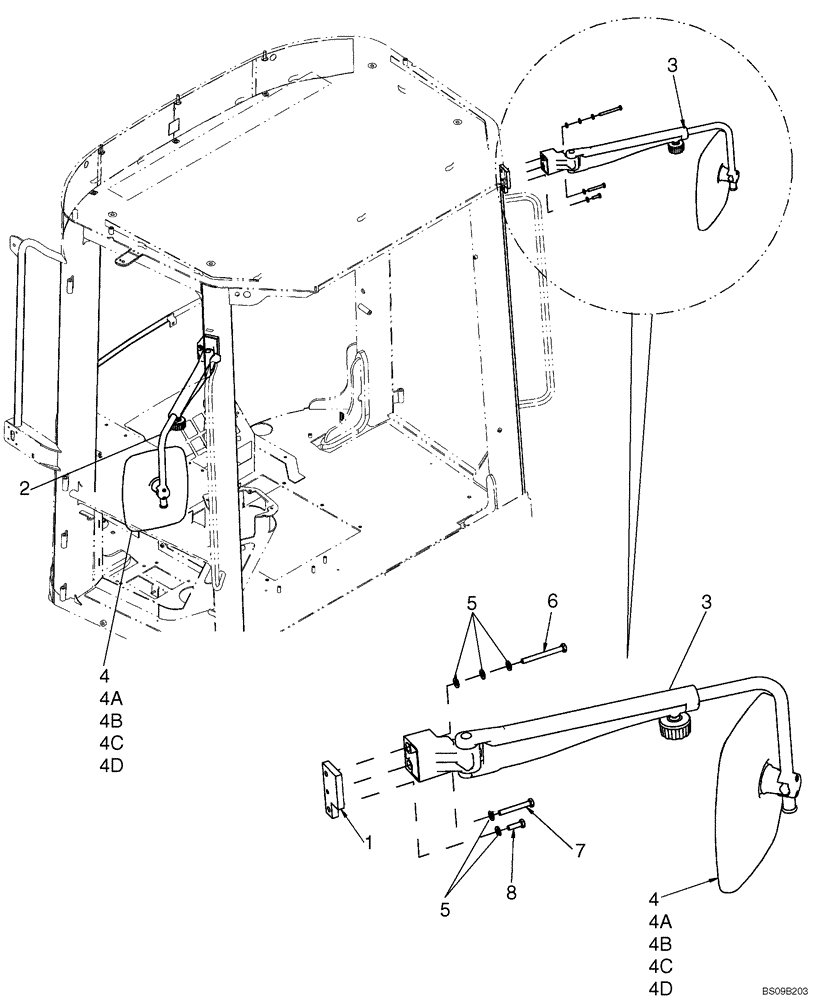
3
4c
4b
4c
8
5
7
3
4
4d
1
6
4d
4a
2
4
4a
4b
5
FIT
1:1
100%

Артикул

Название

Примечание

Количество

1

84180029

PLATE

PLATE, Mirror Adaptor

2шт.

2

87363070

ARM

LH Mirror

1шт.

3

87363073

ARM

RH Mirror

1шт.

4

87350494

MIRROR ASSY.,240mm x 329mm

Incl. Refs. 4A - 4D

2шт.

4a

82015243

REPLACEMENT MIRROR

1шт.

4b

82035218

MIRROR,300mm x 200mm

Lens

1шт.

4c

87531094

BRACKET

1шт.

4d

15902707

SELF-TAP SCREW,Cross Pan Hd, M3.5 x 19mm

4шт.

5

896-11008

WASHER,9mm ID x 17mm OD x 2mm Thk

10шт.

6

827-8080

BOLT,Hex, M8 x 1.25 x 80mm, Cl 10.9

2шт.

7

827-8060

BOLT,Hex, M8 x 1.25 x 60mm, Cl 10.9

2шт.

8

627-8025

BOLT,Hex, M8 x 1.25 x 25mm, Cl 10.9, Full Thd

2шт.

Выбрано товаров: 12