Запчасти Case 821E (02-21) - CYLINDER BLOCK - PLUG ASSY (02) - ENGINE

Схема запчастей Case 821E - (02-21) - CYLINDER BLOCK - PLUG ASSY (02) - ENGINE
2
8
9
12
11
3
5
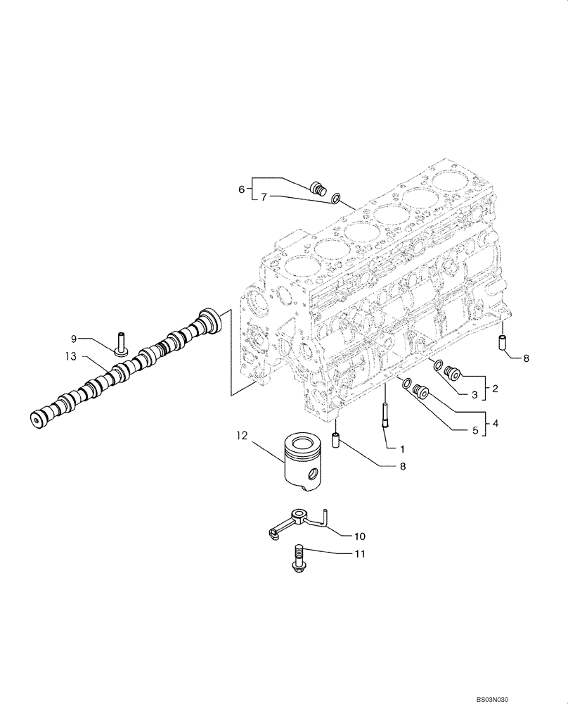
1
6
10
7
8
13
4
FIT
1:1
100%

Артикул

Название

Примечание

Количество

1

4896153

PLUG

If Used

6шт.

2

4895605

HEX SOCKET PLUG,M14 x 1.5

Incl. 3

2шт.

3

4899115

O-RING,2.2mm Thk x 11.3mm ID

1шт.

4

4899009

PLUG,M10 x1

Incl. 5

2шт.

5

4899072

O-RING,1.6mm Thk x 8.1mm ID

1шт.

6

4895392

HEX SOCKET PLUG,M18 x 1.5

Incl. 7

2шт.

7

4895393

O-RING,2.2mm Thk x 15.3mm ID

1шт.

8

4895049

DOWEL,M16.05 x 10

2шт.

9

4891226

TAPPET

12шт.

10

2852202

NOZZLE, PISTON COOLI

6шт.

11

4894218

SCREW,Special, M8 x 20

6шт.

12

REF

INSTRUCTION

Piston; See Figure 02-37

1шт.

13

REF

INSTRUCTION

Camshaft; See Figure 02-32

1шт.

Выбрано товаров: 0