Качественные детали и логистика
Оригинальные и аналоговые запчасти с доставкой по России, Казахстану и Беларуси
©2022 PartSell ООО "Система" ИНН 2463123282 ОГРН 1212400004838
Центральный офис: г. Красноярск, Академика Киренского, д.87, пом.4
Телефон: 8 (800) 777-65-74 Email: zakaz@partsell.ru
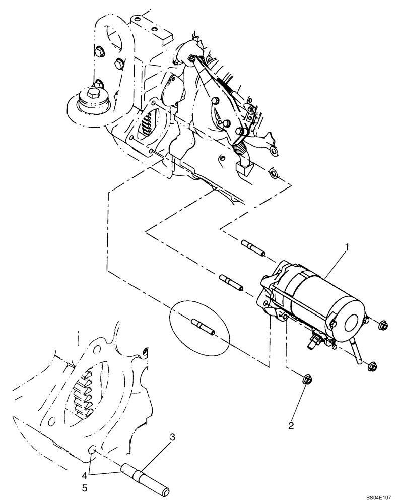
(04-01) - STARTER
№
Артикул
Название
Примечание
Количество
1
8605784
STARTING MOTOR
Denso, No Component Parts Available
1шт.
8605784R
REMAN-STARTER
821E Tier 3 (8/06-)
8605784C
CORE-STARTER
Return Number
2
829-2310
FLANGE NUT,M10 x 1.5, Flg, Cl 10
3шт.
3
2852476
STUD
Starter; 10mm
4
345-62
SEALANT
747
5
345-75
271 Thread Adhesive
Выбрано товаров: 0