Запчасти Case 921E (06-17A) - TRANSMISSION - LUBRICATION LINES (06) - POWER TRAIN

Схема запчастей Case 921E - (06-17A) - TRANSMISSION - LUBRICATION LINES (06) - POWER TRAIN
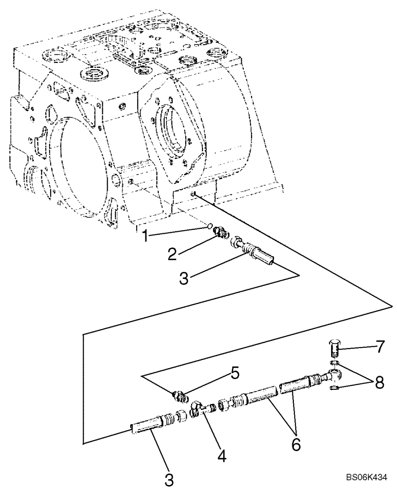
6
2
7
4
8
3
3
5
1
FIT
1:1
100%

Артикул

Название

Примечание

Количество

87347258

TRANSMISSION

Incl. Refs. 1-8, Includes Parts on Figures 06-03 - 06-17A, 07-02

1шт.

87347258R

REMAN-TRANSMISSION

Remanufactured Transmission; 921E, Model Number 4WG260, Stock Number 4646 054 094 - ZF

1шт.

87347258C

CORE-TRANSMISSION

Return Number

1шт.

1

8603276

O-RING

1шт.

2

87582796

ORIFICE

1шт.

3

87582800

HYDRAULIC HOSE

1шт.

4

87582795

HYD CONNECTOR

1шт.

5

87582794

UNION

1шт.

6

87582797

HYDRAULIC HOSE

1шт.

7

87582798

SCREW

1шт.

8

934893R1

SEALING RING,M14 x 20 x 1.5

2шт.

Выбрано товаров: 11