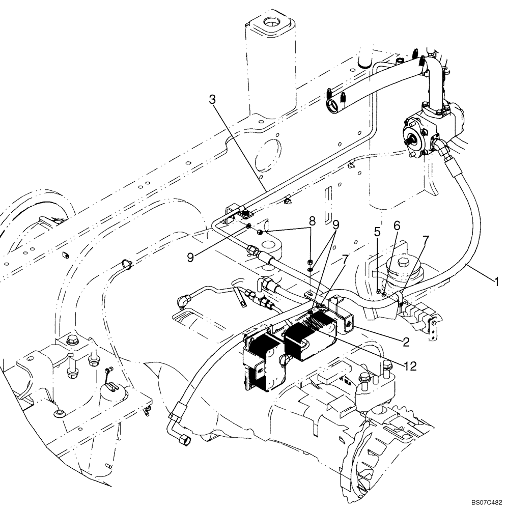
Запчасти Case 921E (07-09) - HYDRAULICS - BRAKE PUMP TO FAN VALVE (07) - BRAKES

Схема запчастей Case 921E - (07-09) - HYDRAULICS - BRAKE PUMP TO FAN VALVE (07) - BRAKES
3
8
7
5
12
2
7
9
1
9
6
FIT
1:1
100%

Артикул

Название

Примечание

Количество

1

87620638

HOSE ASSY.

2143 mm ( 84 - 1/3 in. ) Fan Valve

1шт.

2

87626082

BRACKET

1шт.

3

87532047

HYD TUBE,.625" OD

1248 mm ( 49 in. ) Rear Axle Brake

1шт.

5

832-10412

NUT,M12 x 1.75, Cl 8

1шт.

6

895-11012

WASHER,13.5mm ID x 24mm OD x 2.5mm Thk

1шт.

7

515-24317

CLAMP,1 1/4", Insul, 7/16" Bolt

1шт.

8

832-10410

NUT,M10 x 1.5, Cl 8

2шт.

9

895-11010

WASHER,11mm ID x 20mm OD x 2mm Thk

2шт.

10

896-11010

WASHER,11mm ID x 21mm OD x 2.5mm Thk

1шт.

12

627-10030

BOLT,Hex, M10 x 1.5 x 30mm, Cl 10.9, Full Thd

1шт.

Выбрано товаров: 0