Запчасти Case 921E (07-11) - ACCUMULATORS - BRAKE (07) - BRAKES

Схема запчастей Case 921E - (07-11) - ACCUMULATORS - BRAKE (07) - BRAKES
11
9
8
1
6
2
7
7b
10
1
5
13
4
7a
11
6
3
10
12
8a
14
8b
FIT
1:1
100%

Артикул

Название

Примечание

Количество

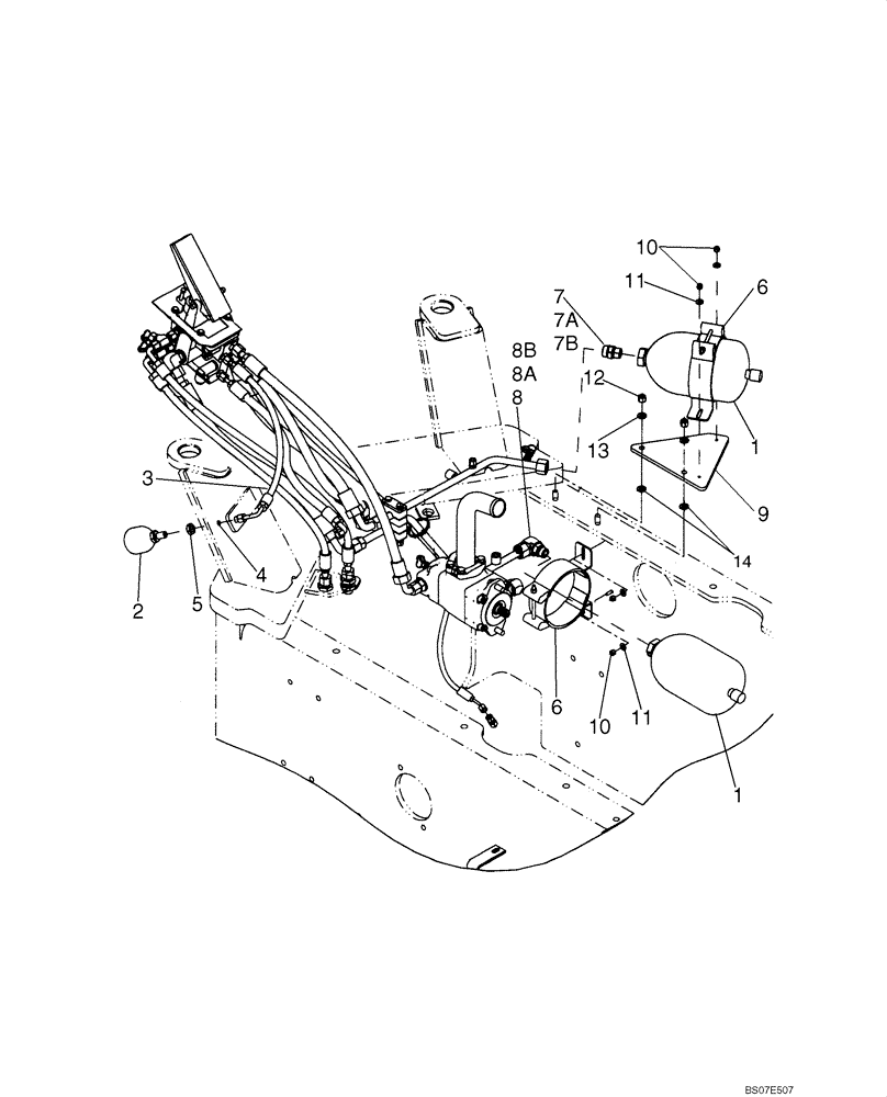
1

87363089

ACCUMULATOR

Brake

2шт.

2

8500209

ACCUMULATOR

Parking Brake

1шт.

3

87348977

HOSE ASSY.

601 mm ( 23-2/3 in.) Parking Brake

1шт.

4

238-6012

O-RING,0.07" Thk x 0.364" ID, -12, Cl 6, 90 Duro

1шт.

5

701-909

NUT,11/16" - 16

1шт.

6

8501315

CLAMP,167mm - 175mm

Accumulator

2шт.

7

700-104

HYD CONNECTOR,1-3/16" - 12 Male ORFS x M27 x 2 Male ORB

Incl. 7A, 7B

1шт.

7a

238-6018

O-RING,0.07" Thk x 0.739" ID, -18, Cl 6, 90 Duro

Face Seal

1шт.

7b

637-64236

O-RING,2.9mm Thk x 23.6mm ID, Cl 6, 90 Duro

Boss

1шт.

8

700-307

ELBOW,90 Degree Elbow, 1-3/16" - 12 Male ORFS x M27 x 2 Male ORB

Incl. 8A, 8B

1шт.

8a

238-6018

O-RING,0.07" Thk x 0.739" ID, -18, Cl 6, 90 Duro

Face Seal

1шт.

8b

637-64236

O-RING,2.9mm Thk x 23.6mm ID, Cl 6, 90 Duro

Boss

1шт.

9

87349020

BRACKET

Rear Brake Accumulator

1шт.

10

832-10408

NUT,M8 x 1.25, Cl 8.8

4шт.

11

895-15008

WASHER,9mm ID x 20mm OD x 1.6mm Thk

4шт.

12

832-10412

NUT,M12 x 1.75, Cl 8

2шт.

13

895-11012

WASHER,13.5mm ID x 24mm OD x 2.5mm Thk

2шт.

14

896-16016

WASHER,17.5mm ID x 34mm OD x 5mm Thk

If Used

2шт.

Выбрано товаров: 18