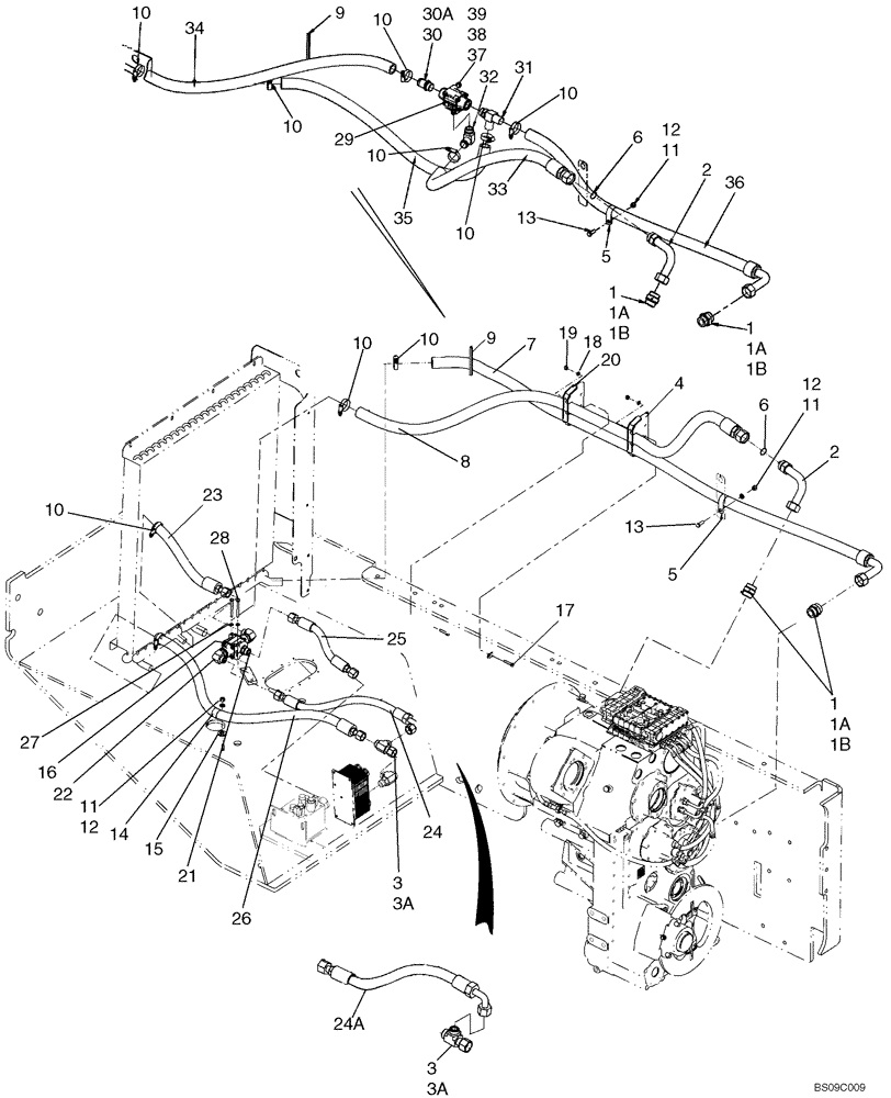
Запчасти Case 921E (08-08) - HYDRAULICS - STANDARD BYPASS (08) - HYDRAULICS

Схема запчастей Case 921E - (08-08) - HYDRAULICS - STANDARD BYPASS (08) - HYDRAULICS
10
13
3a
12
29
21
14
10
12
22
10
10
28
6
2
39
27
10
1a
11
34
36
1b
1b
10
4
30a
18
33
1a
1
17
5
19
1b
1
16
35
9
5
13
32
10
1a
37
31
7
3
9
23
10
1
11
11
12
10
30
24a
8
25
2
3a
26
6
24
15
20
38
3
FIT
1:1
100%

Артикул

Название

Примечание

Количество

1

86579685

HYD CONNECTOR,1 11/16"-12 ORFS x M42 x 2 ORB

Incl. Refs. 1A, 1B; Replaces L128604 Adapter Used On Some Models

2шт.

1a

86598105

O-RING,2.9mm Thk x 38.6mm ID, Cl 6, 90 Duro

1шт.

1b

9824051

O-RING,0.07" Thk x 1.176" ID, -25, Cl 6, 90 Duro

1шт.

2

433238A1

TUBE

Transmission Return

1шт.

3

701-417

TEE,1-3/16" - 12 Male ORFS x 1-3/16" - 12 Male ORFS x 1-3/16" - 12 Female ORFS

Incl. 3A

1шт.

3a

238-6018

O-RING,0.07" Thk x 0.739" ID, -18, Cl 6, 90 Duro

Face Seal

3шт.

4

451490A1

PLATE

Block; If Used

2шт.

5

515-25444

CLAMP,1 3/4", Insul, 7/16" Bolt

1шт.

6

238-6024

O-RING,0.07" Thk x 1.114" ID, -24, Cl 6, 90 Duro

1шт.

7

87356461

HOSE ASSY.

2582 mm (102 in); Cooler To Transmission; If Used

1шт.

8

87356462

HOSE ASSY.

2274 mm (89 - 1/2 in); Transmission To Cooler; If Used

1шт.

9

70-5848T1

SEAL

Edge Trim; 5.5in

1шт.

10

353036A1

HOSE CLAMP,32mm - 54mm

Constant Torque

4-8шт.

11

896-11010

WASHER,11mm ID x 21mm OD x 2.5mm Thk

2шт.

12

832-10410

NUT,M10 x 1.5, Cl 8

2шт.

13

627-10030

BOLT,Hex, M10 x 1.5 x 30mm, Cl 10.9, Full Thd

1шт.

14

515-25381

CLAMP,1 1/2", Insul, 1/2" Bolt

1шт.

15

895-15016

WASHER,M16 x 34 x 3

2шт.

16

87326981

BY-PASS VALVE

Thermal

1шт.

17

827-8040

BOLT,Hex, M8 x 1.25 x 40mm, Cl 10.9

If Used

2шт.

18

895-11008

WASHER,9mm ID x 16mm OD x 1.6mm Thk

If Used

2шт.

19

832-10408

NUT,M8 x 1.25, Cl 8.8

If Used

1шт.

20

451491A1

RETAINER

If Used

2шт.

21

700-104

HYD CONNECTOR,1-3/16" - 12 Male ORFS x M27 x 2 Male ORB

Incl. 21A, 21B

1шт.

21a

637-64236

O-RING,2.9mm Thk x 23.6mm ID, Cl 6, 90 Duro

Boss

1шт.

21b

238-6018

O-RING,0.07" Thk x 0.739" ID, -18, Cl 6, 90 Duro

Face Seal

1шт.

22

700-307

ELBOW,90 Degree Elbow, 1-3/16" - 12 Male ORFS x M27 x 2 Male ORB

Incl. 22A, 22B

2шт.

22a

637-64236

O-RING,2.9mm Thk x 23.6mm ID, Cl 6, 90 Duro

Boss

1шт.

22b

238-6018

O-RING,0.07" Thk x 0.739" ID, -18, Cl 6, 90 Duro

Face Seal

1шт.

23

87366607

HOSE ASSY.,25.4mm ID x 475mm L, SAE 100R4

475mm (18-11/16 in); Bypass To Cooler

1шт.

24

87529176

HOSE ASSY.,19.05mm ID x 684mm L, SAE 100R4

Bypass To Tank, 684mm (30in); No Longer Available, Order 87492057 Hose, Ref. 24A

1шт.

24a

87492057

HOSE ASSY.,19.05mm ID x 644mm L, SAE 100R4

Bypass To Tank, 644 mm (25 - 23/64 in)

1шт.

25

87366608

HOSE ASSY.

379mm (15 in); Bypass Inlet

1шт.

26

87529177

HOSE ASSY.

1222mm (48 in); Cooler Return

1шт.

27

892-11008

LOCK WASHER,8mm ID

2шт.

28

827-8080

BOLT,Hex, M8 x 1.25 x 80mm, Cl 10.9

2шт.

29

84138750

VALVE

VALVE, Thermal Bypass; If Used

1шт.

30

217-184

FITTING,1-1/4" Hose Barb x 1-5/16" - 12 Male ORB

Incl. Ref. 30A; If Used

1шт.

30a

237-6016

O-RING,0.116" Thk x 1.171" ID, -916, Cl 6, 90 Duro

1шт.

31

84196529

TEE,1-5/16" - 12 ORB x 1-1/4" Hose Barb x 1-1/4" Hose Barb

TEE, If Used

1шт.

32

217-358

FITTING,90 Degree Elbow, 1-1/4" Hose Barb x 1-5/16" - 12 Male ORB

If Used

1шт.

33

84197222

HOSE

HOSE, Transmission To Valve, 1065 mm (41 - 59/64 in); If Used

1шт.

34

84195573

HOSE

HOSE, Valve To Cooler, 1100 mm (43 - 5/16 in); If Used

1шт.

35

84195571

HOSE

HOSE, Cooler To Valve, 1220 mm (48 - 1/32 in); If Used

1шт.

36

84196539

HOSE

HOSE, Valve To Transmission, 1415 mm (55 - 45/64 in); If Used

1шт.

37

827-10090

BOLT,Hex, M10 x 1.5 x 90mm, Cl 10.9

If Used

2шт.

38

895-11010

WASHER,11mm ID x 20mm OD x 2mm Thk

If Used

4шт.

39

829-1410

NUT,M10 x 1.5, Cl 10.9

If Used

2шт.

Выбрано товаров: 48