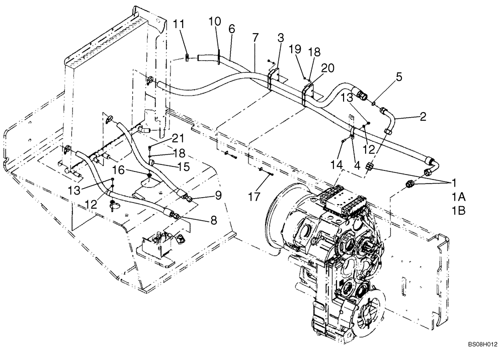
Запчасти Case 921E (08-09) - HYDRAULICS - COOLER WITHOUT BYPASS (08) - HYDRAULICS

Схема запчастей Case 921E - (08-09) - HYDRAULICS - COOLER WITHOUT BYPASS (08) - HYDRAULICS
6
1b
18
13
18
1
12
3
11
20
8
16
21
10
1a
4
2
5
15
19
13
12
14
17
7
9
FIT
1:1
100%

Артикул

Название

Примечание

Количество

1

86579685

HYD CONNECTOR,1 11/16"-12 ORFS x M42 x 2 ORB

Incl. Refs. 1A, 1B; Replaces L128604 Adapter Used On Some Models

2шт.

1a

86598105

O-RING,2.9mm Thk x 38.6mm ID, Cl 6, 90 Duro

1шт.

2

433238A1

TUBE

Transmission Return

1шт.

1b

9824051

O-RING,0.07" Thk x 1.176" ID, -25, Cl 6, 90 Duro

1шт.

3

451490A1

PLATE

2шт.

4

515-25444

CLAMP,1 3/4", Insul, 7/16" Bolt

1шт.

5

238-6024

O-RING,0.07" Thk x 1.114" ID, -24, Cl 6, 90 Duro

1шт.

6

87356461

HOSE ASSY.

2582 mm (102 in); Cooler To Transmission

1шт.

7

87356462

HOSE ASSY.

2274 mm (90 in); Transmission To Cooler

1шт.

8

87529178

HOSE ASSY.

1308 mm (51.5 in); Cooler Return

1шт.

9

87356465

HOSE ASSY.

968 mm (38 in); Cooler Supply

1шт.

10

70-5848T1

SEAL

Edge Trim; 5.5in

1шт.

11

353036A1

HOSE CLAMP,32mm - 54mm

Constant Torque

4шт.

12

896-11010

WASHER,11mm ID x 21mm OD x 2.5mm Thk

2шт.

13

832-10410

NUT,M10 x 1.5, Cl 8

2шт.

14

627-10030

BOLT,Hex, M10 x 1.5 x 30mm, Cl 10.9, Full Thd

1шт.

15

515-25381

CLAMP,1 1/2", Insul, 1/2" Bolt

1шт.

16

895-15016

WASHER,M16 x 34 x 3

2шт.

17

827-8040

BOLT,Hex, M8 x 1.25 x 40mm, Cl 10.9

2шт.

18

895-11008

WASHER,9mm ID x 16mm OD x 1.6mm Thk

2шт.

19

832-10408

NUT,M8 x 1.25, Cl 8.8

1шт.

20

451491A1

RETAINER

2шт.

21

627-10025

BOLT,Hex, M10 x 1.5 x 25mm, Cl 10.9, Full Thd

1шт.

Выбрано товаров: 23