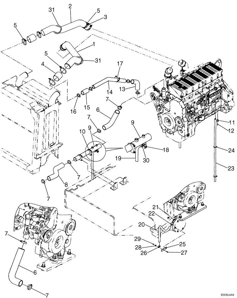
Запчасти Case 921E (02-04) - COOLER - ENGINE - HOSES (02) - ENGINE

Схема запчастей Case 921E - (02-04) - COOLER - ENGINE - HOSES (02) - ENGINE
27
30
7
9
12
9
7
13
3
29
23
7
5
1
5
7
7
15
4
2
31
17
18
25
14
8
11
24
16
10
26
31
28
7
21
6
5
22
6
20
19
FIT
1:1
100%

Артикул

Название

Примечание

Количество

1

87547732

TUBE,4" OD

Air Cooler; Hot

1шт.

2

87547733

TUBE,4" OD

Air Cooler; Cold

1шт.

3

87344275

HOSE,101.60 mm ID x 110 mm

Air Cooler; Blue

2шт.

4

87371086

HOSE,101.60 mm ID x 110.00 mm

Air Cooler; Orange

2шт.

5

L124635

HOSE CLAMP

Constant Torque

8шт.

6

417637A1

HOSE

Engine; Lower

1шт.

7

214-3148

HOSE CLAMP,2-1/4" - 3-1/8", HD Worm

4шт.

8

417639A1

HOSE, BULK,63.50 mm ID x 475.00 mm, SAE 20R4 CLASS D1, SAE J20R4

HOSE, METERS Lower

1шт.

9

87385383

TUBE

Coolant; Bottom

1шт.

10

419850A1

CLAMP

U-Bolt; Incl. Hardware

2шт.

11

L113178

PLUG

Reducing; 3/4 x 1/4

1шт.

12

432-1416

COTTER PIN,7/32" x 1"

1шт.

13

413060A1

HOSE

Engine; Upper

1шт.

14

87362800

TUBE,57.2 mm OD x 729 mm L

Coolant; Top

1шт.

15

417638A1

HOSE, BULK,57.20 mm ID x 120.00 mm, SAE 20R4 CLASS D1, SAE J20R4

HOSE, METERS Upper

1шт.

16

214-1440

HOSE CLAMP,#40, 2.06" - 3", Type F Worm

If Used

4шт.

16

214-3148

HOSE CLAMP,2-1/4" - 3-1/8", HD Worm

If Used

4шт.

17

393632A1

CLAMP

U-Bolt; Incl. Hardware

1шт.

18

301803R1

SHUT-OFF VALVE

90 DEG

1шт.

19

32-332

HOSE

660 mm (26 in); Cut From 32-050; If Used

1шт.

19

31-3018

HOSE

737 mm (29 in); Cut From 32-050; If Used

1шт.

20

245754A1

HOSE,19.1mm ID x 725mm L, SAE 100R6

1шт.

21

242227A1

DRAIN VALVE

1шт.

22

214-1412

HOSE CLAMP,#12, 0.69" - 1.25", Type F Worm

1шт.

23

L128677

HOSE,15.9mm ID x 1230mm L

Breather

1шт.

24

L18331

CABLE TIE,375.9mm L, Nylon, Black

CABLE STRAP 15"

2шт.

25

114512A1

SUPPORT

Hose Mounting

1шт.

26

515-22270

CLAMP,1-1/16", Insul, 5/16" Bolt

1шт.

27

627-8025

BOLT,Hex, M8 x 1.25 x 25mm, Cl 10.9, Full Thd

1шт.

28

896-15008

WASHER,9mm ID x 21mm OD x 2.5mm Thk

1шт.

29

829-1408

NUT,Hex, M8 x 1.25, Cl 10.9

1шт.

30

1954736C1

HOSE CLAMP,#24

1шт.

31

87395887

SEAL

Quick Edge

2шт.

Выбрано товаров: 33