Запчасти Case 921E (08-14B) - HYDRAULICS - LOADER AUXILIARY (XR) (08) - HYDRAULICS

Схема запчастей Case 921E - (08-14B) - HYDRAULICS - LOADER AUXILIARY (XR) (08) - HYDRAULICS
7
17
12
19
20
5
11
6
15
6
15a
5
9
18
4
2a
10
12
14
1
23
7
11
22
8
3
1
13
2
2b
14
13
24
16
21
FIT
1:1
100%

Артикул

Название

Примечание

Количество

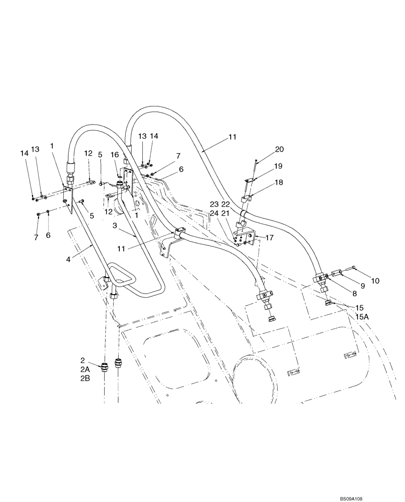
1

87357607

BRACKET

Tube Mounting

2шт.

2

86580179

HYD CONNECTOR,1-7/16" - 12 ORFS x M33 x 2 ORB

Incl. 2A, 2B

2шт.

2a

238-6021

O-RING,15/16 X 1 - 1/16, Cl 6

2шт.

2b

637-64296

O-RING,2.9mm Thk x 29.6mm ID, Cl 6, 90 Duro

1шт.

3

87618127

HYD TUBE,25 mm OD x 714 mm L

Left Side

1шт.

4

87618125

HYD TUBE,25 mm OD x 714 mm L

Right Side

1шт.

5

9515003

BOLT,Hex, M10 x 1.5 x 30mm, Cl 10.9

4шт.

6

895-18010

WASHER,10.5mm ID x 18mm OD x 1.6mm Thk

4шт.

7

832-10410

NUT,M10 x 1.5, Cl 8

4шт.

8

87444561

BLOCK

Tube Mounting

2шт.

9

8500858

PLATE

Block Cover

2шт.

10

827-10070

BOLT,Hex, M10 x 1.5 x 70mm, Cl 10.9

4шт.

11

87690766

HOSE ASSY.

XR Auxiliary; 2488 mm (97 - 61/64 in); No Longer Available, Order 84133935 Hose, Ref. 11A

2шт.

11a

84133935

HOSE ASSY.

XR Auxiliary, With Steel Collar For Mounting; 2488 mm (97 - 61/64 in)

2шт.

12

87391285

U-BOLT

2шт.

13

895-15008

WASHER,9mm ID x 20mm OD x 1.6mm Thk

4шт.

14

832-10408

NUT,M8 x 1.25, Cl 8.8

4шт.

15

701-915

PLUG,Hex, 1-7/16" - 12 ORFS

Incl. Ref. 15A

2шт.

15a

238-6021

O-RING,15/16 X 1 - 1/16, Cl 6

Face Seal

2шт.

16

238-6021

O-RING,15/16 X 1 - 1/16, Cl 6

1шт.

REF

INSTRUCTION

THE FOLLOWING PARTS MAY OR MAY NOT BE USED

1шт.

17

84133938

BRACKET

Hose Clamp

2шт.

18

429384A1

CLAMP,40mm ID x 30mm W x 71mm L

4шт.

19

429414A1

COVER PLATE,70mm L x 30mm W x 3mm Thk

2шт.

20

827-6080

BOLT,Hex, M6 x 80mm, Cl 10.9

4шт.

21

895-11006

WASHER,6.6mm ID x 12mm OD x 1.6mm Thk

4шт.

22

832-10406

NUT,M6 x 1, Cl 8

4шт.

23

895-11010

WASHER,11mm ID x 20mm OD x 2mm Thk

4шт.

24

627-10025

BOLT,Hex, M10 x 1.5 x 25mm, Cl 10.9, Full Thd

4шт.

Выбрано товаров: 29