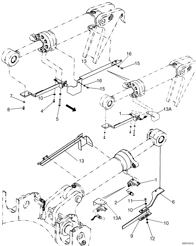
Запчасти Case 921E (09-01) - CONTROL - RETURN-TO-DIG (Z-BAR) (09) - CHASSIS

Схема запчастей Case 921E - (09-01) - CONTROL - RETURN-TO-DIG (Z-BAR) (09) - CHASSIS
12
7
10
16
11
13
13a
15
13
9
1
13a
1
2
6
10
8
16
15
5
4
10
FIT
1:1
100%

Артикул

Название

Примечание

Количество

1

L125983

SUPPORT

Proximity Switch

1шт.

2

1546497C1

SWITCH

Proximity Switch

1шт.

4

627-12025

BOLT,Hex, M12 x 1.75 x 25mm, Cl 10.9, Full Thd

1шт.

5

827-12090

BOLT,Hex, M12 x 1.75 x 90mm, Cl 10.9

1шт.

6

87363669

SUPPORT

Harness Guard

1шт.

7

892-11012

LOCK WASHER,M12

2шт.

8

627-12030

BOLT,Hex, M12 x 1.75 x 30mm, Cl 10.9, Full Thd

2шт.

9

87363671

SUPPORT

Harness Guard

1шт.

10

896-12012

WASHER,13.5mm ID x 24mm OD x 3mm Thk

6шт.

11

627-12040

BOLT,Hex, M12 x 1.75 x 40mm, Cl 10.9, Full Thd

2шт.

12

829-1412

NUT,M12, Cl 10.9

2шт.

13

87600224

GUARD

Return-to-Dig Harness, If Used; Used W/ Tilt Cylinder 87592927 (Cylinder W/ Side Block for Guard Mounting), Serial Range: -N7F201153

1шт.

13a

87403966

COVER

Proximity Switch, If Used; Used W/ Tilt Cylinder 87700021 (Cylinder W/Out Side Block), Start Serial: N7F201153

1шт.

15

627-10020

BOLT,Hex, M10 x 1.5 x 20mm, Cl 10.9, Full Thd

1шт.

16

895-11010

WASHER,11mm ID x 20mm OD x 2mm Thk

1шт.

Выбрано товаров: 15