Качественные детали и логистика
Оригинальные и аналоговые запчасти с доставкой по России, Казахстану и Беларуси
©2022 PartSell ООО "Система" ИНН 2463123282 ОГРН 1212400004838
Центральный офис: г. Красноярск, Академика Киренского, д.87, пом.4
Телефон: 8 (800) 777-65-74 Email: zakaz@partsell.ru
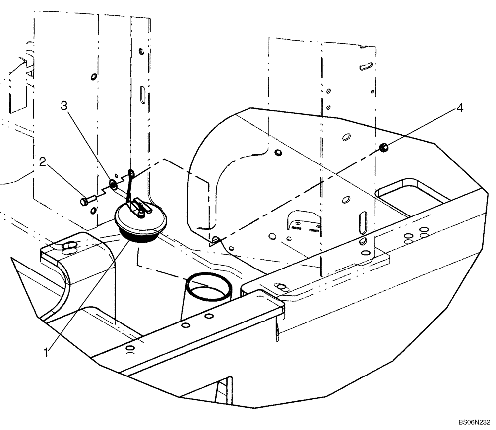
(03-03) - FUEL TANK FILLER
№
Артикул
Название
Примечание
Количество
1
178592A2
CAP,Fuel Tank Cap
Fuel Filler
1шт.
2
627-8025
BOLT,Hex, M8 x 1.25 x 25mm, Cl 10.9, Full Thd
3
895-15008
WASHER,9mm ID x 20mm OD x 1.6mm Thk
4
832-10408
NUT,M8 x 1.25, Cl 8.8
Выбрано товаров: 0