Качественные детали и логистика
Оригинальные и аналоговые запчасти с доставкой по России, Казахстану и Беларуси
©2022 PartSell ООО "Система" ИНН 2463123282 ОГРН 1212400004838
Центральный офис: г. Красноярск, Академика Киренского, д.87, пом.4
Телефон: 8 (800) 777-65-74 Email: zakaz@partsell.ru
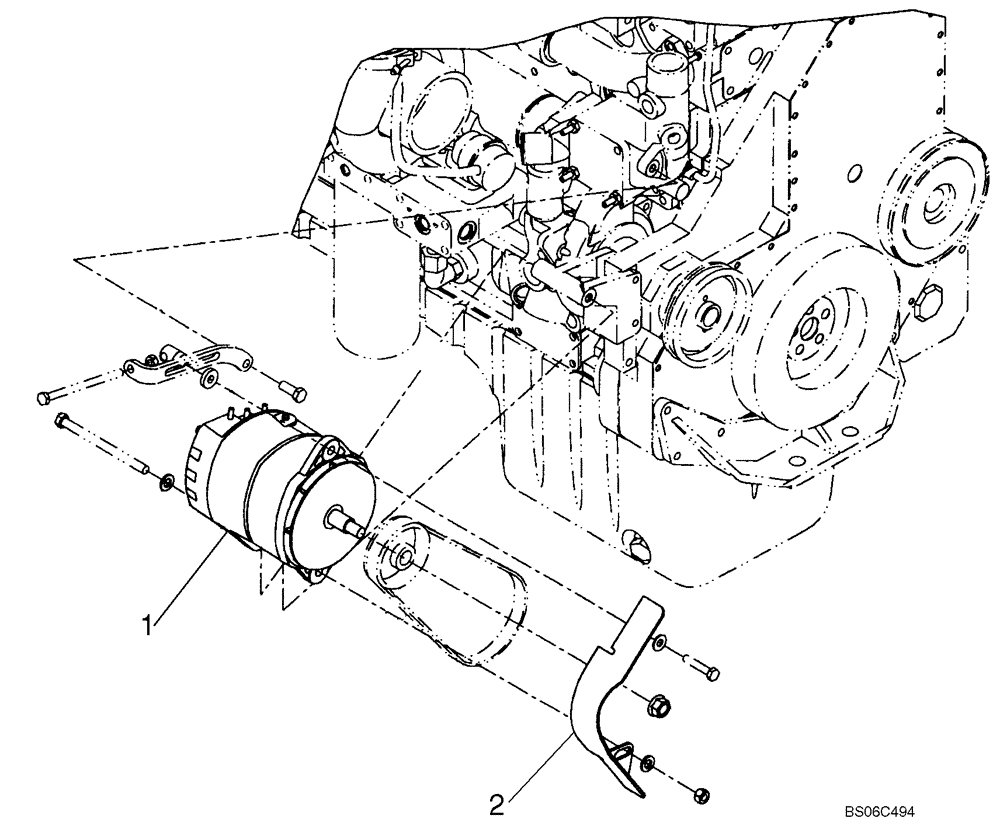
(04-02) - ALTERNATOR - MOUNTING/BELT
№
Артикул
Название
Примечание
Количество
REF
INSTRUCTION
USE HARDWARE SUPPLIED WITH ENGINE TO MOUNT ALTERNATOR
1шт.
1
87372640
ALTERNATOR,24V, W/ Pulley
24V, Delco Remy; See Figure 04-02A
87372640R
REMAN-ALTERNATOR
921E WHEEL LOADER TIER 3 (NA/EU) (2/17-)
87372640C
CORE-ALTERNATOR
Return Number
2
444232A1
SHIELD
Alternator
3
87646971
V-BELT,863.60 mm L, 5 Ribs
Выбрано товаров: 0