Запчасти Case 1021F (35.128.02) - VALVE ASSEMBLY - JOYSTICK CONTROL INSTALLATION- 2 FUNCTION JOYSTICK, 2 LEVER (35) - HYDRAULIC SYSTEMS

Схема запчастей Case 1021F - (35.128.02) - VALVE ASSEMBLY - JOYSTICK CONTROL INSTALLATION- 2 FUNCTION JOYSTICK, 2 LEVER (35) - HYDRAULIC SYSTEMS
11
13
14
16
1
21
9
15
2
4
10
18
21
6
20
22
7
22
12
18
21
17
19
8
16
21
21
3
5
FIT
1:1
100%

Артикул

Название

Примечание

Количество

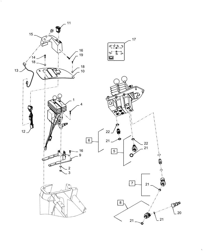
1

87539289

CONTROL

2 Lever

1шт.

2

895-25006

WASHER,6.6mm ID x 18mm OD x 1.6mm Thk

4шт.

3

832-10406

NUT,M6 x 1, Cl 8

4шт.

4

840-1625

SCREW,Pan, M6 x 25mm, Cl 4.8

4шт.

5

87562344

ELBOW

Incl 21 - 22

1шт.

6

86579671

HYD CONNECTOR,11/16" - 16 ORFS x M14 x 1.5 ORB

Incl 21 - 22

5шт.

7

87354477

ELBOW,45 Degree, 11/16"-16 x 11/16"-16 Fem Sw

Incl 21

1шт.

8

84989848

TEE,11/16" - 16 ORFS x 11/16" - 16 ORFS x 11/16" - 16 JIC

Incl 21

1шт.

9

87534053

BRACKET

Single Axis Controller

1шт.

10

84314705

BEZEL

2 Lever

1шт.

11

400833A2

SWITCH

F-N-R

1шт.

12

87324389

WIRE HARNESS

FNR Switch

1шт.

13

402390A1

SWITCH

Downshift

1шт.

14

84263396

SCREW,Phillips Drive, Pan HD, M6 x 30mm, Cl 4.8

2шт.

15

87523729

COVER

Tower

1шт.

16

47372445

SCREW,Pozidrive, Pan HD, M6 x 20mm, Cl 5.8

5шт.

17

87536092

DECAL

2 Lever Control

1шт.

18

47368445

WASHER,6.4mm ID x 16.3mm OD x 1mm Thk

3шт.

19

1270762C1

SELF-TAP SCREW

Pan Head

1шт.

20

190119A1

COUPLING

Also Order Ref 21

1шт.

21

9993141

O-RING,0.07" Thk x 0.364" ID, -12, Cl 6, 90 Duro

18шт.

22

86598099

O-RING,2.2mm Thk x 11.3mm ID, Cl 6

12шт.

Выбрано товаров: 22