Запчасти Case 1021F (50.104.01) - HEATER LINE INSTALLATION (50) - CAB CLIMATE CONTROL

Схема запчастей Case 1021F - (50.104.01) - HEATER LINE INSTALLATION (50) - CAB CLIMATE CONTROL
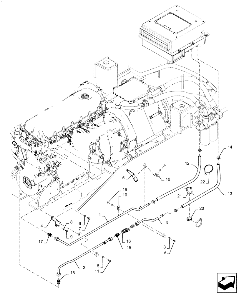
1
12
22
13
8
8
10
19
8
9
7
14
4
5
10
20
2
18
3
16
11
9
17
21
15
6
FIT
1:1
100%

Артикул

Название

Примечание

Количество

1

47636533

TUBE

Heater Supply

1шт.

2

47636535

TUBE

Heater Return

1шт.

3

47636537

TUBE

Heater Return

1шт.

4

84198593

BRACKET

Heater Tube Front Support

1шт.

5

84317573

BRACKET

Tube Support

1шт.

6

895-11010

WASHER,11mm ID x 20mm OD x 2mm Thk

1шт.

7

627-10020

BOLT,Hex, M10 x 1.5 x 20mm, Cl 10.9, Full Thd

1шт.

8

895-11008

WASHER,9mm ID x 16mm OD x 1.6mm Thk

5шт.

9

627-8020

BOLT,Hex, M8 x 1.25 x 20mm, Cl 10.9, Full Thd

2шт.

10

515-23159

CLAMP,5/8", Insul, 3/8" Bolt

6шт.

11

627-8025

BOLT,Hex, M8 x 1.25 x 25mm, Cl 10.9, Full Thd

2шт.

12

84294450

HOSE

Heater Return

1шт.

13

1971244C1

HOSE,15.5mm ID x 1200mm L

Heater

1шт.

14

1954736C1

HOSE CLAMP,#24

4шт.

15

87351379

HYD CONNECTOR

5/8 ORFS - ORB 1/2

2шт.

16

84294442

SHUT-OFF VALVE

Coolant Return

1шт.

17

84319917

HYD CONNECTOR,1/2"-14 NPTF x 1"-14 ORFS

1шт.

18

86579680

HYD CONNECTOR,1"-14 ORFS x M22 x 1.5mm ORB

1шт.

19

832-10408

NUT,M8 x 1.25, Cl 8.8

1шт.

20

84266053

TUBE SPACER

Swivel

1шт.

21

84266050

CABLE TIE,384mm L, Polyamide

2шт.

22

L18331

CABLE TIE,375.9mm L, Nylon, Black

1шт.

Выбрано товаров: 22