Запчасти Case 1021F (10.202.01[01]) - AIR CLEANER INSTALLATION (10) - ENGINE

Схема запчастей Case 1021F - (10.202.01[01]) - AIR CLEANER INSTALLATION (10) - ENGINE
3
15
14
17
21
2
4
2
2
5
19
1
10
16
home
12
9
18
2
11
2
8
6
7
20
13
FIT
1:1
100%

Артикул

Название

Примечание

Количество

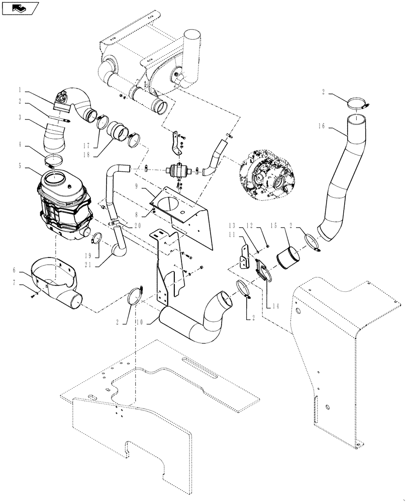
1

84327116

AIR INTAKE TUBE

NA and EU Models

1шт.

1

84346321

TUBE

International Models

1шт.

2

L129159

CLAMP,5-1/4" - 6-1/8", Worm Gear

Hose; Constant Torque

4шт.

3

84308150

HOSE

Elbow Reducing 45 Degrees

1шт.

4

L129160

CLAMP,158.75mm - 180.97mm

Hose; Constant Torque

1шт.

5

84374435

AIR CLEANER

For Filter See 25 and 26

1шт.

6

84261839

MANIFOLD

1шт.

7

896-15008

WASHER,9mm ID x 21mm OD x 2.5mm Thk

4шт.

8

895-11008

WASHER,9mm ID x 16mm OD x 1.6mm Thk

4шт.

9

84378454

HEAT SHIELD

1шт.

10

84261841

INTAKE AIR HOSE

Lower

1шт.

11

84415458

BRACKET, SUPPORTING

Air Intake Splice

1шт.

12

832-10410

NUT,M10 x 1.5, Cl 8

2шт.

13

895-11010

WASHER,11mm ID x 20mm OD x 2mm Thk

2шт.

14

A184592

CLAMP

Muffler 5"

1шт.

15

84261843

AIR INTAKE TUBE

Air Intake Splice

1шт.

16

84261842

INTAKE AIR HOSE

Upper

1шт.

17

L127771

CLAMP,107.95mm - 130.18mm

Hose; Constant Torque

2шт.

18

333794A1

HOSE

Air Intake

1шт.

19

214-1464

HOSE CLAMP,#64, 3.56" - 4.5", Type F Worm

1шт.

20

515-23508

CLAMP,2", Insul, 3/8" Bolt

1шт.

21

84261847

AIR HOSE

Aspirator Lower

1шт.

22

84530536

SEALING STRIP

Upper

1шт.

23

84530537

SEALING STRIP

lower

1шт.

24

84402329

COVER ASSY

1шт.

25

87356545

AIR FILTER

Primary

1шт.

26

87356547

AIR FILTER

Secondary

1шт.

Выбрано товаров: 27