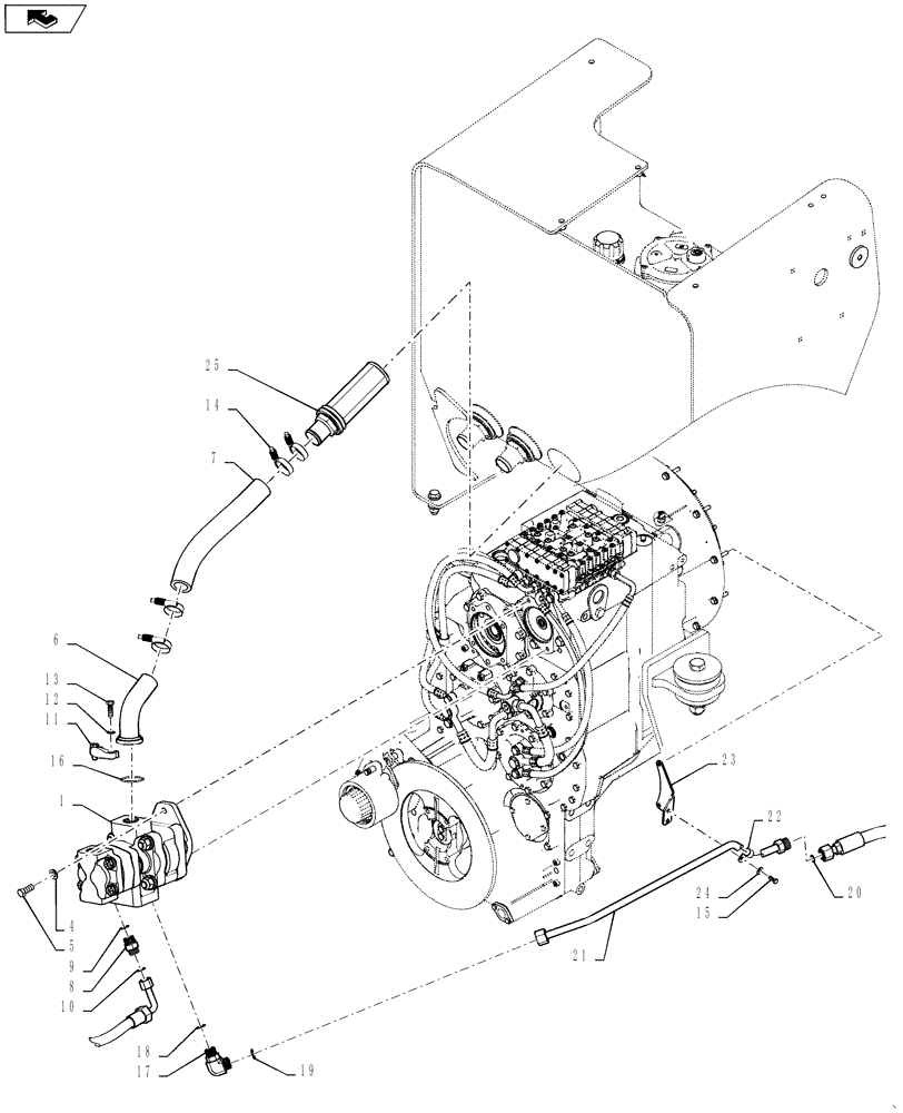
Запчасти Case 1121F (33.202.02[01]) - HYDRAULICS - MAIN BRAKE - PUMP (33) - BRAKES & CONTROLS

Схема запчастей Case 1121F - (33.202.02[01]) - HYDRAULICS - MAIN BRAKE - PUMP (33) - BRAKES & CONTROLS
12
20
18
home
14
21
11
7
22
5
17
16
13
6
25
10
4
19
8
15
9
23
1
24
FIT
1:1
100%

Артикул

Название

Примечание

Количество

1

84306957

PUMP,38.51 CC

Brake, Includes Items 2 and 3.

1шт.

84306957R

REMAN-HYD PUMP

1121F Tier 4 (4/10-)

1шт.

84306957C

CORE-HYDRAULIC PUMP

Return Number

1шт.

2

84489990

SEAL,42.93mm ID x 26.99mm OD x 7.92mm Thk

Not Shown

1шт.

3

84489991

SEAL KIT

Not Shown

1шт.

4

896-11014

WASHER,15.5mm ID x 28mm OD x 3mm Thk

2шт.

5

627-14035

BOLT,Hex, M14 x 2 x 35mm, Cl 10.9, Full Thd

2шт.

6

84380001

HYD TUBE

Pump Suction

1шт.

7

84468973

HOSE

Tank to Brake Pump

1шт.

8

86597760

HYD CONNECTOR,1"-14 ORFS x M2 x 2.0 ORB

1шт.

9

86598103

O-RING,2.9mm Thk x 23.6mm ID, Cl 6, 90 Duro

1шт.

10

9992069

O-RING,0.07" Thk x 0.614" ID, -16, Cl 6, 90 Duro

1шт.

11

A14141

FLANGE

2шт.

12

892-11012

LOCK WASHER,M12

4шт.

13

627-12035

BOLT,Hex, M12 x 1.75 x 35mm, Cl 10.9, Full Thd

4шт.

14

254026A1

HOSE CLAMP,44.45mm - 66.67mm

4шт.

15

627-8020

BOLT,Hex, M8 x 1.25 x 20mm, Cl 10.9, Full Thd

1шт.

16

238-6228

O-RING,0.139" Thk x 2.234" ID, -228, Cl 6, 90 Duro

1шт.

17

700-307

ELBOW,90 Degree Elbow, 1-3/16" - 12 Male ORFS x M27 x 2 Male ORB

1шт.

18

14438185

O-RING,24mm ID x 3mm

1шт.

19

70923843

O-RING,0.07" Thk x 0.739" ID, -18, Cl 6, 90 Duro

1шт.

20

238-6018

O-RING,0.07" Thk x 0.739" ID, -18, Cl 6, 90 Duro

1шт.

21

84468965

TUBE

1шт.

22

515-23190

CLAMP,3/4", Insul, 3/8" Bolt

1шт.

23

84468993

BRACKET

Tube Support

1шт.

24

895-15008

WASHER,9mm ID x 20mm OD x 1.6mm Thk

1шт.

25

84201770

FILTER STRAINER

1шт.

26

331-58

LUBRICANT

Not Shown

1шт.

Выбрано товаров: 28