Запчасти Case 1121F (39.125.01) - FRONT CHASSIS INSTALLATION (39) - FRAMES AND BALLASTING

Схема запчастей Case 1121F - (39.125.01) - FRONT CHASSIS INSTALLATION (39) - FRAMES AND BALLASTING
1
home
10
5
2
11
9
3
12
6
8
7
7
4
FIT
1:1
100%

Артикул

Название

Примечание

Количество

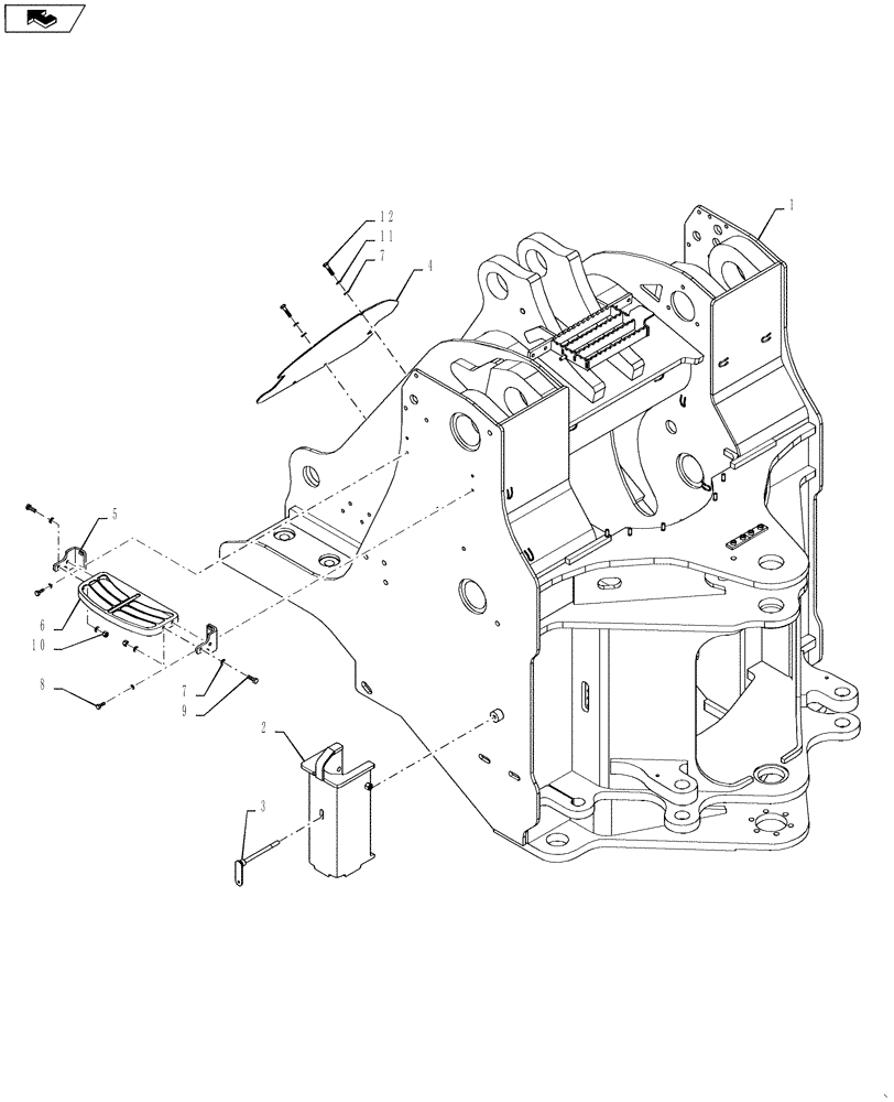
1

84413816

FRAME

Front

1шт.

2

84477197

CHANNEL

With Linkage Support

1шт.

3

84335024

HANDLE

+

1шт.

4

84414469

VALVE COVER

Valve

1шт.

5

84335479

BRACKET

Front Chassis Step

2шт.

6

87434472

STEP

1шт.

7

895-11010

WASHER,11mm ID x 20mm OD x 2mm Thk

15шт.

8

627-10025

BOLT,Hex, M10 x 1.5 x 25mm, Cl 10.9, Full Thd

4шт.

9

627-10030

BOLT,Hex, M10 x 1.5 x 30mm, Cl 10.9, Full Thd

4шт.

10

832-10410

NUT,M10 x 1.5, Cl 8

4шт.

11

892-11010

LOCK WASHER,M10

3шт.

12

827-10040

BOLT,Hex, M10 x 1.5 x 40mm, Cl 10.9, Full Thd

3шт.

Выбрано товаров: 12