Запчасти Case 1121F (10.414.02[01]) - STANDARD FAN RELIEF VALVE (10) - ENGINE

Схема запчастей Case 1121F - (10.414.02[01]) - STANDARD FAN RELIEF VALVE (10) - ENGINE
12
16
17
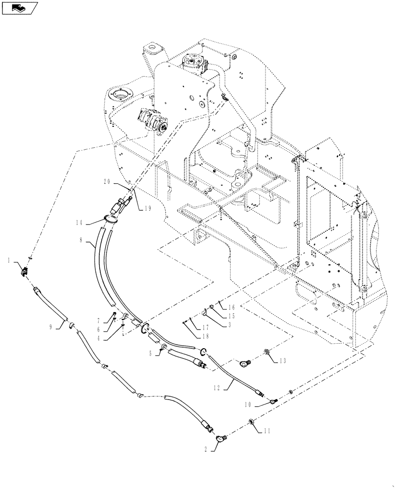
1
home
2
18
11
20
9
8
10
13
14
7
6
4
3
15
19
5
FIT
1:1
100%

Артикул

Название

Примечание

Количество

1

700-307

ELBOW,90 Degree Elbow, 1-3/16" - 12 Male ORFS x M27 x 2 Male ORB

1шт.

2

86837484

ELBOW,90 Degree, 1 3/16"-12. ORFS, Blkhd

2шт.

3

515-24302

CLAMP,1 3/16", Insul, 7/16" Bolt

4шт.

4

896-11012

WASHER,13.5mm ID x 24mm OD x 3mm Thk

2шт.

5

515-23412

CLAMP,1 5/8", Insul, 3/8" Bolt

2шт.

6

896-11010

WASHER,11mm ID x 21mm OD x 2.5mm Thk

2шт.

7

832-10410

NUT,M10 x 1.5, Cl 8

2шт.

8

84363004

HOSE

1шт.

9

84363007

HOSE,19.05mm ID x 2825mm L, SAE 100R2

1шт.

10

87317453

ELBOW,90 Degree, 11/16" - 16, ORFS, Blkhd

1шт.

11

701-909

NUT,11/16" - 16

1шт.

12

84333715

HOSE

1шт.

13

701-1249

BHD LOCK NUT,1-3/16" - 12

2шт.

14

L11541

CABLE TIE,203.2mm L, Nylon

CABLE STRAP

1шт.

15

87557948

TUBE SPACER

1шт.

16

896-11016

WASHER,17.5mm ID x 30mm OD x 4mm Thk

1шт.

17

896-15008

WASHER,9mm ID x 21mm OD x 2.5mm Thk

1шт.

18

827-8045

BOLT,Hex, M8 x 1.25 x 45mm, Cl 10.9

1шт.

19

238-6012

O-RING,0.07" Thk x 0.364" ID, -12, Cl 6, 90 Duro

1шт.

20

238-6021

O-RING,15/16 X 1 - 1/16, Cl 6

1шт.

Выбрано товаров: 20