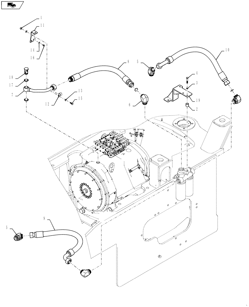
Запчасти Case 1121F (21.102.01) - 4 SPEED TRANSMISSION FILTER LINES INSTALL (21) - TRANSMISSION

Схема запчастей Case 1121F - (21.102.01) - 4 SPEED TRANSMISSION FILTER LINES INSTALL (21) - TRANSMISSION
18
11
home
3
1
6
8
7
12
19
5
17
15
13
9
5
4
16
10
14
2
FIT
1:1
100%

Артикул

Название

Примечание

Количество

1

832-10410

NUT,M10 x 1.5, Cl 8

3шт.

2

87532054

SPACER

2шт.

3

892-11010

LOCK WASHER,M10

2шт.

4

827-10060

BOLT,Hex, M10 x 1.5 x 60mm, Cl 10.9

2шт.

5

700-354

ELBOW,45 Degree Elbow, 1-11/16" - 12 Male ORFS x M42 x 2 Male ORB

2шт.

6

700-309

ELBOW,90 Degree Elbow, 1-11/16" - 12 Male ORFS x M42 x 2 Male ORB

3шт.

7

84315427

HYD TUBE

1шт.

8

84319515

HOSE ASSY.

Transmission Filter Bypass

1шт.

9

84319518

HOSE ASSY.

Filter to Transmission Return

1шт.

10

84319520

HOSE ASSY.

Transmission to Filter Pressure

1шт.

11

84361651

BRACKET, SUPPORTING

Tube and Hose

1шт.

12

515-23254

CLAMP,1", Insul, 3/8" Bolt

1шт.

13

895-11010

WASHER,11mm ID x 20mm OD x 2mm Thk

4шт.

14

896-11008

WASHER,9mm ID x 17mm OD x 2mm Thk

2шт.

15

614-10025

BOLT,Hex, M10 x 1.5 x 25mm, Cl 8.8

1шт.

16

627-8016

BOLT,Hex, M8 x 1.25 x 16mm, Cl 10.9, Full Thd

2шт.

17

87665422

SEAL,28mm ID x 40mm OD x 1.5mm Thk

2шт.

18

84374337

BANJO BOLT

1шт.

19

84409456

BRACKET, SUPPORTING

Bracket With Trans Filter Mount CNH Black

1шт.

Выбрано товаров: 19