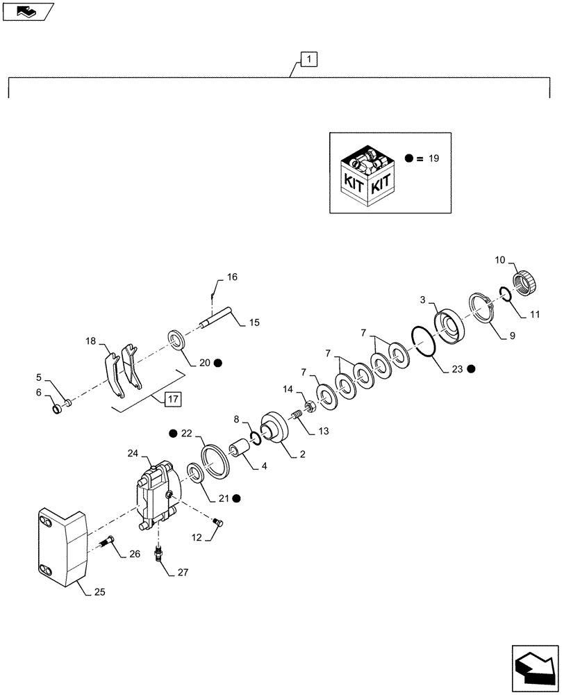
Запчасти Case 1221F (33.110.BA) - PARKING BRAKE ASSEMBLY (33) - BRAKES & CONTROLS

Схема запчастей Case 1221F - (33.110.BA) - PARKING BRAKE ASSEMBLY (33) - BRAKES & CONTROLS
13
9
27
25
17
15
21
19
16
14
12
8
23
5
19
10
22
19
6
1
26
7
3
11
20
24
4
7
18
home
19
2
19
7
19
FIT
1:1
100%

Артикул

Название

Примечание

Количество

1

387505A1

BRAKE CALIPER

Assembly Incl 2 - 23

1шт.

2

352023A1

PISTON

1шт.

3

352024A1

RING

1шт.

4

8603334

PIN

Pressure

1шт.

5

8603336

MAGNET

2шт.

6

8603337

RING

Clearance

2шт.

7

352028A1

SPRING

Cup

5шт.

8

8603343

O-RING

1шт.

9

100206A1

CIRCLIP

1шт.

10

387510A1

CAP

1шт.

11

84396302

O-RING

1шт.

12

8603348

BREATHER

1шт.

13

352032A1

SET SCREW

1шт.

14

352033A1

NUT

1шт.

15

8603540

PIN

1шт.

16

8603541

PIN

2шт.

17

387514A1

BRAKE PAD

Incl. 18

1шт.

18

84396314

BRAKE LINING

2шт.

19

8603814

SEAL KIT

Incl 20 - 23

1шт.

20

8603338

DUST CAP

1шт.

21

8603339

RING

1шт.

22

352027A1

RING

1шт.

23

352029A1

O-RING

1шт.

24

352040A1

BRAKE ASSY.

1шт.

25

352802A1

PLATE

Bearing Anchor

1шт.

26

87582526

SCREW,Hex,M14 x 45mm

4шт.

27

8603542

SLEEVE

1шт.

Выбрано товаров: 27