Запчасти Case 521F (33.202.11) - BRAKE PUMP HYDRAULIC LINES (33) - BRAKES & CONTROLS

Схема запчастей Case 521F - (33.202.11) - BRAKE PUMP HYDRAULIC LINES (33) - BRAKES & CONTROLS
10
4
12
11
35.106.02
3
1
7
home
6
8
35.106.04
9
5
2
FIT
1:1
100%

Артикул

Название

Примечание

Количество

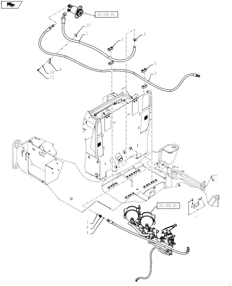
1

87706313

HOSE ASSY.

Brake Pump Suction

1шт.

2

84365896

FLEXIBLE HOSE

Brake Pump Pressure

1шт.

3

372453A1

BLOCK

1шт.

4

214-1416

HOSE CLAMP,#16, 0.81" - 1.5", Type F Worm

1шт.

5

8501052

SPECIAL CLAMP

1шт.

6

700-162

HYD CONNECTOR,13/16" - 16 Male ORFS x M22 x 1.5 Male ORB

Incl 7 - 8

1шт.

7

637-63193

O-RING,2.2mm Thk x 19.3mm ID, Cl 6, 90 Duro

1шт.

8

238-6014

O-RING,0.07" Thk x 0.489" ID, -14, Cl 6, 90 Duro

1шт.

9

515-24302

CLAMP,1 3/16", Insul, 7/16" Bolt

1шт.

10

895-18010

WASHER,10.5mm ID x 18mm OD x 1.6mm Thk

1шт.

11

627-10030

BOLT,Hex, M10 x 1.5 x 30mm, Cl 10.9, Full Thd

1шт.

12

515-24222

CLAMP,7/8", Insul, 7/16" Bolt

1шт.

Выбрано товаров: 12