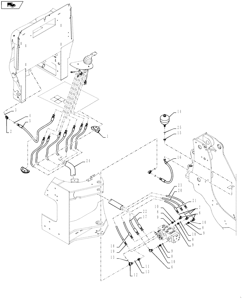
Запчасти Case 521F (35.525.03) - THIRD SPOOL AUXILIARY HYDRAULIC LINE INSTALLATION, XR/LR LOADER (35) - HYDRAULIC SYSTEMS

Схема запчастей Case 521F - (35.525.03) - THIRD SPOOL AUXILIARY HYDRAULIC LINE INSTALLATION, XR/LR LOADER (35) - HYDRAULIC SYSTEMS
23
home
19
13
9
25
6
9
20
13
10
3
4
9
9
7
5
18
15
11
2
10
14
6
17
8
21
8
22
12
10
10
8
16
1
8
24
FIT
1:1
100%

Артикул

Название

Примечание

Количество

1

380912A1

GROMMET

Hose Mounting

1шт.

2

700-101

HYD CONNECTOR,11/16" - 16 Male ORFS x M14 x 1.5 Male ORB

Incl 3 - 4

1шт.

3

637-63113

O-RING,2.2mm Thk x 11.3mm ID, Cl 6

1шт.

4

238-6012

O-RING,0.07" Thk x 0.364" ID, -12, Cl 6, 90 Duro

1шт.

5

392059A1

HOSE ASSY.

Pilot Tank

1шт.

6

701-329

ELBOW,90 Degree Elbow, 9/16" - 18 Male ORFS x 9/16" - 18 Female ORFS

Incl 7

3шт.

7

238-6011

O-RING,0.07" Thk x 0.301" ID, -11, Cl 6, 90 Duro

3шт.

8

700-153

HYD CONNECTOR,9/16" - 18 Male ORFS x M14 x 1.5 Male ORB

Incl 9 - 10

4шт.

9

238-6011

O-RING,0.07" Thk x 0.301" ID, -11, Cl 6, 90 Duro

4шт.

10

637-63113

O-RING,2.2mm Thk x 11.3mm ID, Cl 6

4шт.

11

391859A1

VALVE, CHECK

1шт.

12

701-422

TEE,11/16" - 16 Male ORFS x 11/16" - 16 Male ORFS x 11/16" - 16 Female ORFS

Incl 13

1шт.

13

238-6012

O-RING,0.07" Thk x 0.364" ID, -12, Cl 6, 90 Duro

2шт.

14

8501047

ACCUMULATOR

Pilot Accumulator

1шт.

15

701-909

NUT,11/16" - 16

1шт.

16

87308338

HOSE ASSY.

Pilot Accumulator

1шт.

17

87651218

HOSE

Pilot Pressure

1шт.

18

87651219

HOSE

Pilot Lift Right Yellow And Black Band

1шт.

19

87651220

HOSE

Pilot Tilt Right Orange And Black Band

1шт.

20

87651221

HOSE

Pilot Lift Left Red And Black Band

1шт.

21

87651222

HOSE

Pilot Tilt Left Green And Black Band

1шт.

22

87651223

HOSE

Pilot 3 Spool Right Red And White Band

1шт.

23

87651224

HOSE

Pilot 3 Spool Left Yellow And Right Band

1шт.

24

401526A1

HOSE PROTECTION,60mm ID x 1200mm L

Sleeve

1шт.

25

238-6012

O-RING,0.07" Thk x 0.364" ID, -12, Cl 6, 90 Duro

1шт.

Выбрано товаров: 25