Запчасти Case 521F (10.001.03) - ENGINE MOUNTING (10) - ENGINE

Схема запчастей Case 521F - (10.001.03) - ENGINE MOUNTING (10) - ENGINE
20
22
4
3
home
13
12
7
11
21
10
15
10
14
2
19
12
5
16
6
18
9
8
9
1
17
FIT
1:1
100%

Артикул

Название

Примечание

Количество

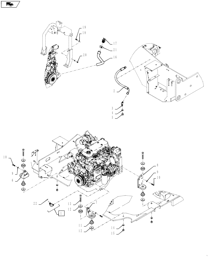
1

87426452

FITTING

Incl 22

1шт.

2

84352761

FLEXIBLE HOSE

Engine

1шт.

3

218-716

ELBOW,45 Degree Blkhd, 7/8"-14, 37 Degree x 7/8"-14, 37 Degree

1шт.

4

218-1251

BHD LOCK NUT,Blkhd, 7/8"-14

1шт.

5

218-756

CAP,37 Degree, 7/8"-14

1шт.

6

8602304

ENGINE MOUNT

Rear Left

1шт.

7

8602303

ENGINE MOUNT

Rear Right

1шт.

8

87693569

BRACKET

Flywheel Housing

2шт.

9

896-11012

WASHER,13.5mm ID x 24mm OD x 3mm Thk

14шт.

10

627-12045

BOLT,Hex, M12 x 1.75 x 45mm, Cl 10.9, Full Thd

14шт.

11

361811A1

ISOLATOR

Engine Mount

4шт.

12

496-81025

WASHER,21/32" x 2 1/2" x .188", HDN

8шт.

13

827-16120

BOLT,Hex, M16 x 2 x 120mm, Cl 10.9

4шт.

14

896-11016

WASHER,17.5mm ID x 30mm OD x 4mm Thk

4шт.

15

832-10416

NUT,M16 x 2, Cl 8

4шт.

16

84393077

TUBE

Engine Oil Fill

1шт.

17

429797A1

CAP

1шт.

18

895-11010

WASHER,11mm ID x 20mm OD x 2mm Thk

2шт.

19

627-10030

BOLT,Hex, M10 x 1.5 x 30mm, Cl 10.9, Full Thd

1шт.

20

832-10410

NUT,M10 x 1.5, Cl 8

1шт.

21

214-1424

HOSE CLAMP,#24, 1.06" - 2", Type F Worm

1шт.

22

637-63193

O-RING,2.2mm Thk x 19.3mm ID, Cl 6, 90 Duro

1шт.

Выбрано товаров: 22