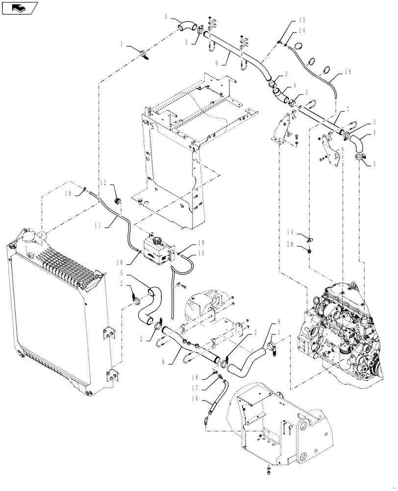
Запчасти Case 521F (10.400.01) - RADIATOR HOSE AND TUBE INSTALLATION (10) - ENGINE

Схема запчастей Case 521F - (10.400.01) - RADIATOR HOSE AND TUBE INSTALLATION (10) - ENGINE
3
16
20
17
19
14
2
2
3
15
4
1
13
home
10
10
4
6
3
5
11
8
3
12
9
1
7
4
14
10
3
18
2
FIT
1:1
100%

Артикул

Название

Примечание

Количество

1

254026A1

HOSE CLAMP,44.45mm - 66.67mm

10шт.

2

L115548

CLAMP,57.15mm - 79.38mm

3шт.

3

214-1432

HOSE CLAMP,#32, 1.56" - 2.5", Type F Worm

5шт.

4

381232A1

HOSE,44.50 mm ID x 87.00 mm, SAE J20R4 Class D1

Elbow

3шт.

5

380125A2

RADIATOR HOSE,57.20 mm ID x 218.00 mm, SAE 20R4, CLASS C OR D1,SAE J20R4

Bottom

1шт.

6

87615063

HYD TUBE,41.2 mm ID x 44.5 mm OD x 684, 220 mm L

Top Coolant

1шт.

7

87617019

HYD TUBE,41.2 mm ID x 44.5 mm OD x 513 mm L

Top Coolant

1шт.

8

86991195

HOSE,48.00 mm ID, 57.20 mm ID x 254.00 mm, SAE J20R4 Class D1

Engine Coolant Bottom

1шт.

9

84338554

RIGID TUBE

Pipe Coolant Bottom

1шт.

10

A171099

HOSE CLAMP,13.2mm - 15.4mm

3шт.

11

87619894

HOSE ASSY.

Coolant Recovery Bottle

1шт.

12

198824C1

GROMMET,12.7mm ID x 41.1mm OD x 26.9mm Thk

1шт.

13

217-292

FITTING,90 Degree Elbow, 1/4" Hose Barb x 1/8" Male NPTF

1шт.

14

214-1704

HOSE CLAMP,#04, 0.25" - 0.62", Type M Worm

2шт.

15

87619895

HOSE,7.90mm ID x 390.00mm L

Coolant Bottle Overflow

1шт.

16

84352762

FLEXIBLE HOSE

Drain

1шт.

17

217-152

FITTING,1/2" Hose Barb x 3/8" Male NPTF

1шт.

18

214-1410

HOSE CLAMP,#10, 0.56" - 1.06", Type F Worm

1шт.

19

87617021

HOSE ASSY.

Breather

1шт.

20

87635840

VALVE

Check Venting

1шт.

Выбрано товаров: 20