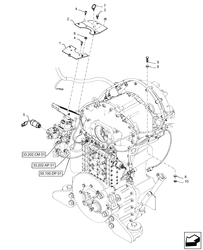
Запчасти Case 521F (33.202.CM[02]) - VAR - 424224 - BRAKE VALVE INSTALLATION (33) - BRAKES & CONTROLS

Схема запчастей Case 521F - (33.202.CM[02]) - VAR - 424224 - BRAKE VALVE INSTALLATION (33) - BRAKES & CONTROLS
55.100.dp 01
9
1
8
8
4
10
2
5
7
3
6
4
33.202.ap 01
33.202.cm 01
FIT
1:1
100%

Артикул

Название

Примечание

Количество

1

47408414

PLATE

Front, Brake Valve Mounting

1шт.

2

47408412

PLATE

Rear, Brake Valve Mounting

1шт.

3

844-8020

BOLT,Hvy Hex, M8 x 20mm, Cl 8.8

4шт.

4

864-8016

HEX SOC SCREW,M8 x 16mm, Cl 8.8

4шт.

5

84385610

PRESSURE SWITCH

Brake Declutch

1шт.

6

825-5148

SERRATED NUT,M8, Flg Ser

2шт.

7

87668737

CABLE TIE,203.2mm L, Nylon, Black

1шт.

8

86624176

WASHER,11mm ID x 20mm OD x 2mm Thk

2шт.

9

628-10035

BOLT,Hex, M10 x 1.5 x 35mm, Cl 10.9, Full Thd

1шт.

10

829-1410

NUT,M10 x 1.5, Cl 10.9

1шт.

Выбрано товаров: 10