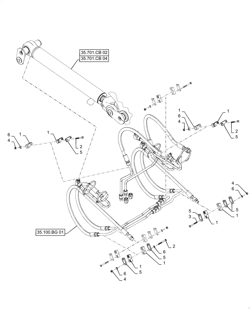
Запчасти Case 521F (35.100.BG[02]) - LOADER CONTROL LINES, Z-BAR AND XR (35) - HYDRAULIC SYSTEMS

Схема запчастей Case 521F - (35.100.BG[02]) - LOADER CONTROL LINES, Z-BAR AND XR (35) - HYDRAULIC SYSTEMS
35.100.bg 01
1
5
4
1
2
2
1
6
5
6
2
6
4
1
1
5
3
6
4
5
5
5
1
1
6
1
4
35.701.cb 04
35.701.cb 02
FIT
1:1
100%

Артикул

Название

Примечание

Количество

1

379374A1

BLOCK

Tube Mounting

4шт.

2

827-10100

BOLT,Hex, M10 x 1.5 x 100mm, Cl 10.9

4шт.

3

827-10110

BOLT,Hex, M10 x 1.5 x 110mm, Cl 10.9

4шт.

4

832-10410

NUT,M10 x 1.5, Cl 8

6шт.

5

367658A1

PLATE

Clamp Cover

10шт.

6

895-11010

WASHER,11mm ID x 20mm OD x 2mm Thk

16шт.

Выбрано товаров: 6