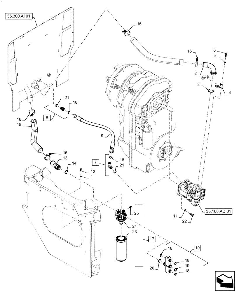
Запчасти Case 521F (35.106.AO[02]) - MAIN HYDRAULIC PUMP LINES (35) - HYDRAULIC SYSTEMS

Схема запчастей Case 521F - (35.106.AO[02]) - MAIN HYDRAULIC PUMP LINES (35) - HYDRAULIC SYSTEMS
35.300.ai 01
11
16
20
22
3
16
24
4
15
8
21
16
18
19
21
25
18
16
14
18
1
12
6
10
23
18
17
13
9
2
18
5
7
35.106.ad 01
FIT
1:1
100%

Артикул

Название

Примечание

Количество

1

895-11010

WASHER,11mm ID x 20mm OD x 2mm Thk

4шт.

2

365417A1

TUBE,50.8 mm OD, 130, 100 mm Length

Hydraulic Pump Suction

1шт.

3

238-5228

O-RING,0.139" Thk x 2.234" ID, -228, Cl 5, 75 Duro

1шт.

4

A14141

FLANGE

Split Half Clamp

2шт.

5

895-11012

WASHER,13.5mm ID x 24mm OD x 2.5mm Thk

4шт.

6

627-12040

BOLT,Hex, M12 x 1.75 x 40mm, Cl 10.9, Full Thd

4шт.

7

86579697

ELBOW,90 Degree, 1-3/16"-12 ORFS x M27 x 2.0 ORB

Incl 18, 21

1шт.

8

86579682

HYD CONNECTOR,1-3/16" - 12 ORFS x M27 x 2 ORB

Incl 18, 21

1шт.

9

87704891

HOSE ASSY.

Case Drain, Pump to Tank

1шт.

10

87577181

MANIFOLD VALVE

Incl 18 - 20

1шт.

11

896-11016

WASHER,17.5mm ID x 30mm OD x 4mm Thk

2шт.

12

627-10025

BOLT,Hex, M10 x 1.5 x 25mm, Cl 10.9, Full Thd

4шт.

13

390208A2

ADAPTER

Hydraulic Filter Outlet

1шт.

14

637-64386

O-RING,2.9mm Thk x 38.6mm ID, Cl 6, 90 Duro

1шт.

15

429045A1

HOSE

Filter Outlet to Hydraulic Tank

1шт.

16

254026A1

HOSE CLAMP,44.45mm - 66.67mm

4шт.

17

47562739

FILTER ASSY

Hydraulic, Incl 23 - 25

1шт.

18

9991976

O-RING,0.07" Thk x 0.739" ID, -18, Cl 6, 90 Duro

10шт.

19

9824050

O-RING,0.07" Thk x 0.926" ID, -21, Cl 6, 90 Duro

2шт.

20

86598105

O-RING,2.9mm Thk x 38.6mm ID, Cl 6, 90 Duro

2шт.

21

86598103

O-RING,2.9mm Thk x 23.6mm ID, Cl 6, 90 Duro

4шт.

22

627-16045

BOLT,Hex, M16 x 2 x 45mm, Cl 10.9, Full Thd

2шт.

23

84196445

HYDRAULIC OIL FILTER

1шт.

24

47562740

FILTER HEAD

Hydraulic Fluid

1шт.

25

8604802

PRESSURE SWITCH

Filter Restriction Indicator

1шт.

Выбрано товаров: 25