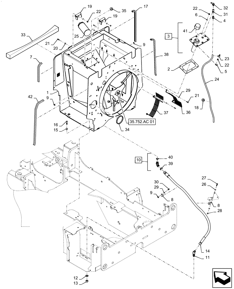
Запчасти Case 521F (35.300.AI[01]) - HYDRAULIC OIL RESERVOIR ASSEMBLY (35) - HYDRAULIC SYSTEMS

Схема запчастей Case 521F - (35.300.AI[01]) - HYDRAULIC OIL RESERVOIR ASSEMBLY (35) - HYDRAULIC SYSTEMS
35.752.ac 01
3
41
29
40
12
25
34
7
35
13
28
23
30
37
8
38
17
26
24
18
31
39
16
2
22
42
10
11
6
32
1
22
5
29
19
9
27
33
9
15
21
36
20
9
21
19
22
8
4
14
FIT
1:1
100%

Артикул

Название

Примечание

Количество

1

47788160

FRAME

Cooling / Hydraulic Tank

1шт.

2

379587A2

GASKET

Hydraulic Tank Fill Cover

1шт.

3

8606005

CAP

Tank Fill Neck Assembly, Incl 41

1шт.

4

8606006

VALVE, CHECK

Hydraulic Tank Vent

1шт.

5

515-23143

CLAMP,9/16", Insul, 3/8" Bolt

1шт.

6

895-11008

WASHER,9mm ID x 16mm OD x 1.6mm Thk

7шт.

7

394866A1

SEAL

Hood, Left Front

1шт.

8

515-23317

CLAMP,31.75mm ID, 10.3mm Bolt Hole, P Type

2шт.

9

84346910

SPRING NUT,M8

16шт.

10

86579697

ELBOW,90 Degree, 1-3/16"-12 ORFS x M27 x 2.0 ORB

Incl 39, 40

1шт.

11

218-717

ELBOW,45 Degree Blkhd, 1 1/16"-12, 37 Degree x 1 1/16"-12, 37 Degree

1шт.

12

218-1256

BHD LOCK NUT,Blkhd, 1 1/16"-12

1шт.

13

218-335

CAP,37 Degree, 1 1/16"-12

1шт.

14

84352763

FLEXIBLE HOSE

Hydraulic Tank Drain

1шт.

15

895-15012

WASHER,M12 x 28 x 2.5

4шт.

16

827-12050

BOLT,Hex, M12 x 1.75 x 50mm, Cl 10.9

4шт.

17

394867A1

SEAL

Hood, Right Front

1шт.

18

198825C1

GROMMET,15.88mm ID x 41.1mm OD x 26.9mm Thk

1шт.

19

47698130

BRACKET

Hinge

2шт.

20

896-15008

WASHER,9mm ID x 21mm OD x 2.5mm Thk

8шт.

21

627-8030

BOLT,Hex, M8 x 1.25 x 30mm, Cl 10.9, Full Thd

8шт.

22

832-10408

NUT,M8 x 1.25, Cl 8.8

12шт.

23

214-1704

HOSE CLAMP,#04, 0.25" - 0.62", Type M Worm

1шт.

24

408523A1

HOSE

Hydraulic Tank Breather

1шт.

25

L128515

STRAINER ELEMENT

Hydraulic Oil Filter

1шт.

26

895-11010

WASHER,11mm ID x 20mm OD x 2mm Thk

2шт.

27

627-10030

BOLT,Hex, M10 x 1.5 x 30mm, Cl 10.9, Full Thd

1шт.

28

832-10410

NUT,M10 x 1.5, Cl 8

1шт.

29

895-15008

WASHER,9mm ID x 20mm OD x 1.6mm Thk

5шт.

30

627-8025

BOLT,Hex, M8 x 1.25 x 25mm, Cl 10.9, Full Thd

1шт.

31

217-1142

TEE,3/8"-18 Female x 3/8"-18 Male Br

1шт.

32

217-133

ELBOW,90 Degree Elbow, 1/2" Hose Barb x 3/8" Male NPTF

1шт.

33

84195909

SEAL

Cooling Frame Front, Foam

1шт.

34

47466954

SEAL,12mm W x 418mm L x 6.35mm Thk

Air Cleaner Intake Hose

1шт.

35

198823C1

GROMMET,9.53mm ID x 41.1mm OD x 26.9mm Thk

1шт.

36

47570147

GUARD

Fan, Top

1шт.

37

47570973

GUARD

Fan, Bottom

1шт.

38

47596187

RUBBER SEAL

LH, Hood

1шт.

39

86598103

O-RING,2.9mm Thk x 23.6mm ID, Cl 6, 90 Duro

2шт.

40

9991976

O-RING,0.07" Thk x 0.739" ID, -18, Cl 6, 90 Duro

2шт.

41

87757884

FILLER CAP

Hydraulic Tank

1шт.

42

47596189

RUBBER SEAL

RH, Hood

1шт.

Выбрано товаров: 42