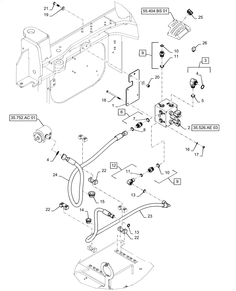
Запчасти Case 521F (35.526.AE[02]) - VAR - 482585 - FAN RELIEF VALVE REVERSIBLE FAN, HYDRAULIC HOSE (35) - HYDRAULIC SYSTEMS

Схема запчастей Case 521F - (35.526.AE[02]) - VAR - 482585 - FAN RELIEF VALVE REVERSIBLE FAN, HYDRAULIC HOSE (35) - HYDRAULIC SYSTEMS
35.526.ae 03
13
6
21
13
26
9
15
11
14
24
9
20
12
8
5
10
16
22
18
23
4
11
2
22
22
1
19
7
4
25
10
3
17
55.404.bs 01
35.752.ac 01
FIT
1:1
100%

Артикул

Название

Примечание

Количество

1

87724971

BRACKET

Fan Relief Valve Mounting

1шт.

2

8500565

HYDRAULIC VALVE

Fan Speed and Reverser

1шт.

3

700-307

ELBOW,90 Degree Elbow, 1-3/16" - 12 Male ORFS x M27 x 2 Male ORB

Incl 4, 5

1шт.

4

238-6018

O-RING,0.07" Thk x 0.739" ID, -18, Cl 6, 90 Duro

2шт.

5

637-64236

O-RING,2.9mm Thk x 23.6mm ID, Cl 6, 90 Duro

1шт.

6

86597760

HYD CONNECTOR,1"-14 ORFS x M2 x 2.0 ORB

Incl 7, 8

1шт.

7

637-64236

O-RING,2.9mm Thk x 23.6mm ID, Cl 6, 90 Duro

1шт.

8

238-6016

O-RING,0.07" Thk x 0.614" ID, -16, Cl 6, 90 Duro

1шт.

9

86597761

HYD CONNECTOR,13/16"-16 ORFS x M27 x 2.0 ORB

Incl 10, 11

2шт.

10

238-6016

O-RING,0.07" Thk x 0.614" ID, -16, Cl 6, 90 Duro

2шт.

11

237-6012

O-RING,0.116" Thk x 0.924" ID, -912, Cl 6, 90 Duro

2шт.

12

701-320

ELBOW,90 Degree Elbow, 13/16" - 16 Male ORFS x 13/16" - 16 Female ORFS

Incl 13

1шт.

13

238-6014

O-RING,0.07" Thk x 0.489" ID, -14, Cl 6, 90 Duro

2шт.

14

198827C1

GROMMET,22.22mm ID x 41.1mm OD x 26.9mm Thk

1шт.

15

435214A1

GROMMET

1 x 1.75

1шт.

16

895-11008

WASHER,9mm ID x 16mm OD x 1.6mm Thk

3шт.

17

832-10408

NUT,M8 x 1.25, Cl 8.8

3шт.

18

814-8140

BOLT,Hex, M8 x 1.25 x 140mm, Cl 8.8

3шт.

19

896-15012

WASHER,13.5mm ID x 28mm OD x 4mm Thk

4шт.

20

832-10412

NUT,M12 x 1.75, Cl 8

2шт.

21

827-12050

BOLT,Hex, M12 x 1.75 x 50mm, Cl 10.9

2шт.

22

372453A1

BLOCK

Mounting

3шт.

23

87704887

HOSE ASSY.

Fan Drive, 1689 mm

1шт.

24

376179A2

HOSE ASSY.

Fan Drive, 1935 mm

1шт.

25

87350049

SWITCH

Fan Reverser

1шт.

26

87312626

RELAY,24V

5-Pin

1шт.

Выбрано товаров: 26