Качественные детали и логистика
Оригинальные и аналоговые запчасти с доставкой по России, Казахстану и Беларуси
©2022 PartSell ООО "Система" ИНН 2463123282 ОГРН 1212400004838
Центральный офис: г. Красноярск, Академика Киренского, д.87, пом.4
Телефон: 8 (800) 777-65-74 Email: zakaz@partsell.ru
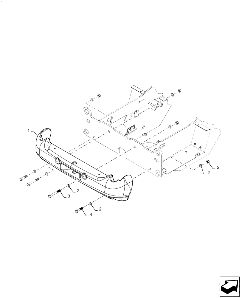
(39.140.AM[01]) - VAR - 782895 - REAR COUNTERWEIGHT, STANDARD
№
Артикул
Название
Примечание
Количество
1
87447093
WEIGHT
Rear Counterweight, Standard, 810 LB
1шт.
2
896-11024
WASHER,26mm ID x 44mm OD x 5mm Thk
8шт.
3
827-24190
BOLT,Hex, M24 x 3 x 190mm, Cl 10.9
2шт.
4
827-24100
BOLT,Hex, M24 x 3 x 100mm, Cl 10.9
5
829-1424
NUT,M24, Cl 10
4шт.
Выбрано товаров: 0