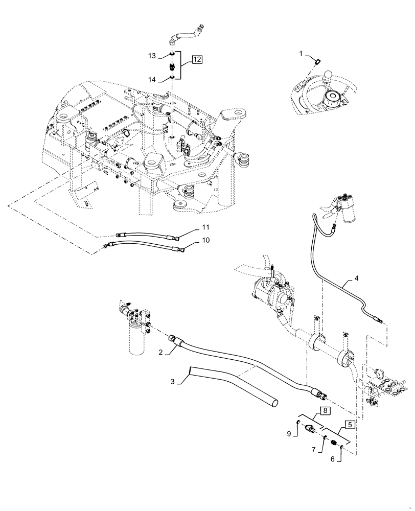
Запчасти Case 521F (41.200.BO[02]) - VAR - 782441, 482930 - NO JOYSTICK, WITH STEERING (41) - STEERING

Схема запчастей Case 521F - (41.200.BO[02]) - VAR - 782441, 482930 - NO JOYSTICK, WITH STEERING (41) - STEERING
13
4
12
6
8
3
14
7
1
2
5
10
9
11
FIT
1:1
100%

Артикул

Название

Примечание

Количество

1

126844A1

PLUG,1.427” x .62” , Plastic

Switch Hole Cover

1шт.

2

365516A2

HOSE ASSY.

Valve to Return

1шт.

3

401526A1

HOSE PROTECTION,60mm ID x 1200mm L

Sleeve

1шт.

4

87629974

HOSE ASSY.

Steering

1шт.

5

700-103

HYD CONNECTOR,1" - 14 Male ORFS x M22 x 1.5 Male ORB

Incl 6, 7

1шт.

6

238-6016

O-RING,0.07" Thk x 0.614" ID, -16, Cl 6, 90 Duro

1шт.

7

637-63193

O-RING,2.2mm Thk x 19.3mm ID, Cl 6, 90 Duro

1шт.

8

701-433

TEE,1" - 14 Male ORFS x 1" - 14 Male ORFS x 1" - 14 Female ORFS

Incl 9

1шт.

9

9992069

O-RING,0.07" Thk x 0.614" ID, -16, Cl 6, 90 Duro

2шт.

10

87668579

HOSE ASSY.

Steering Right Base

1шт.

11

87668578

HOSE ASSY.

Steering Right Rod

1шт.

12

700-104

HYD CONNECTOR,1-3/16" - 12 Male ORFS x M27 x 2 Male ORB

Incl 13, 14

1шт.

13

238-6018

O-RING,0.07" Thk x 0.739" ID, -18, Cl 6, 90 Duro

1шт.

14

637-64236

O-RING,2.9mm Thk x 23.6mm ID, Cl 6, 90 Duro

1шт.

Выбрано товаров: 14