Запчасти Case 521F (50.000.00[01]) - SECTION INDEX - CAB CLIMATE CONTROL (50) - CAB CLIMATE CONTROL

Схема запчастей Case 521F - (50.000.00[01]) - SECTION INDEX - CAB CLIMATE CONTROL (50) - CAB CLIMATE CONTROL
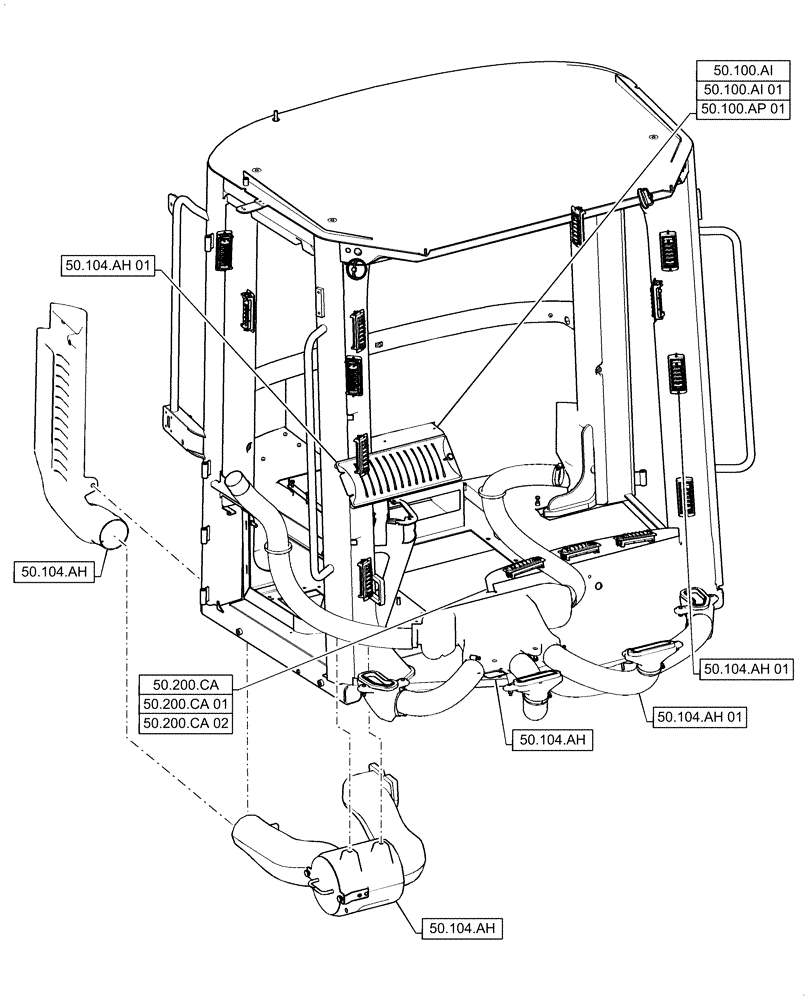
50.104.ah
50.200.ca 02
50.200.ca
50.100.ai
50.200.ca 01
50.100.ap 01
50.100.ai 01
50.104.ah 01
50.104.ah 01
50.104.ah
50.104.ah 01
50.104.ah
FIT
1:1
100%