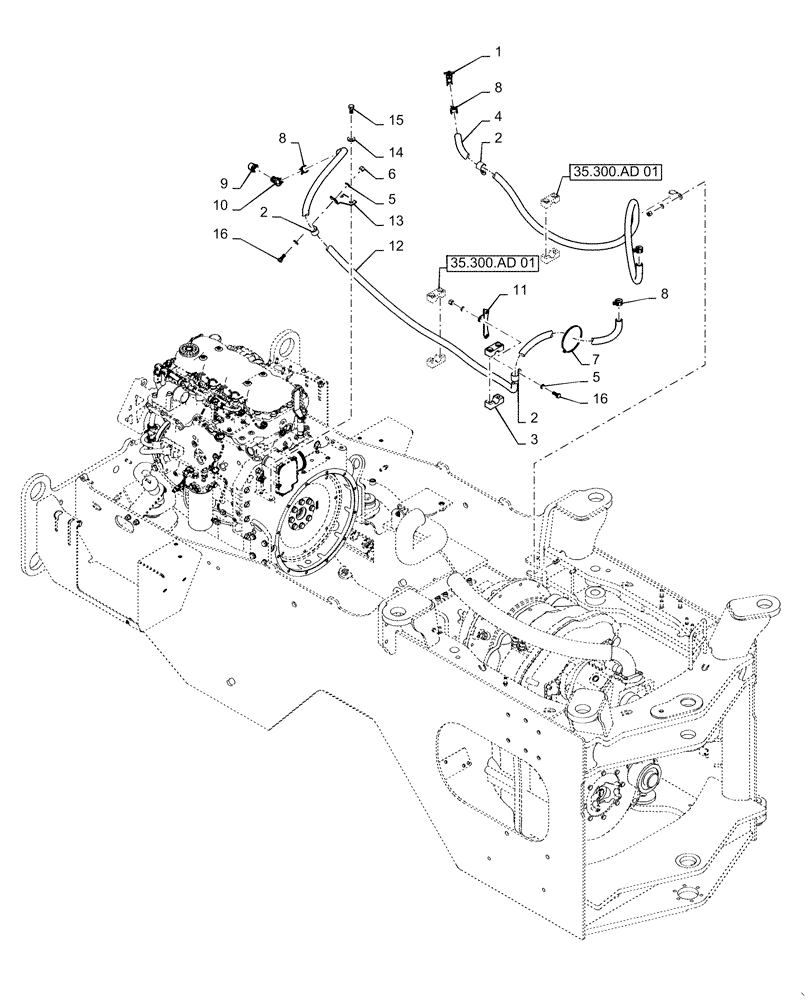
Запчасти Case 521F (50.100.AP[01]) - VAR - 782440 - VAR - 782440 - CAB HEATER (50) - CAB CLIMATE CONTROL

Схема запчастей Case 521F - (50.100.AP[01]) - VAR - 782440 - VAR - 782440 - CAB HEATER (50) - CAB CLIMATE CONTROL
35.300.ad 01
1
16
8
13
14
2
5
3
9
12
11
6
7
16
8
5
4
2
2
10
15
8
35.300.ad 01
FIT
1:1
100%

Артикул

Название

Примечание

Количество

1

301803R1

SHUT-OFF VALVE

90 Degree

1шт.

2

515-24238

CLAMP,15/16", Insul, 7/16" Bolt

4шт.

3

367489A1

BLOCK

Tube Mounting

3шт.

4

436522A1

HEATER HOSE,15.9mm ID x 2134mm L

Heater Return

1шт.

5

895-18010

WASHER,10.5mm ID x 18mm OD x 1.6mm Thk

5шт.

6

832-10410

NUT,M10 x 1.5, Cl 8

3шт.

7

19-135

CABLE TIE

Cable Strap

1шт.

8

1954736C1

HOSE CLAMP,#24

4шт.

9

217-45

REDUCER,3/4" - 14 NPTF x 1/2" - 18 Fem NPTF

1шт.

10

217-144

45 ELBOW,45 Degree Elbow, 5/8" Hose Barb x 1/2" Male NPTF

1шт.

11

84563009

BRACKET

Heater, A/C Line Support

1шт.

12

1974655C1

HEATER HOSE,15.5mm ID x 2642mm L

Heater Supply

1шт.

13

87669774

SUPPORT

Heater Supply

1шт.

14

896-15012

WASHER,13.5mm ID x 28mm OD x 4mm Thk

2шт.

15

627-12025

BOLT,Hex, M12 x 1.75 x 25mm, Cl 10.9, Full Thd

2шт.

16

627-10025

BOLT,Hex, M10 x 1.5 x 25mm, Cl 10.9, Full Thd

2шт.

Выбрано товаров: 16