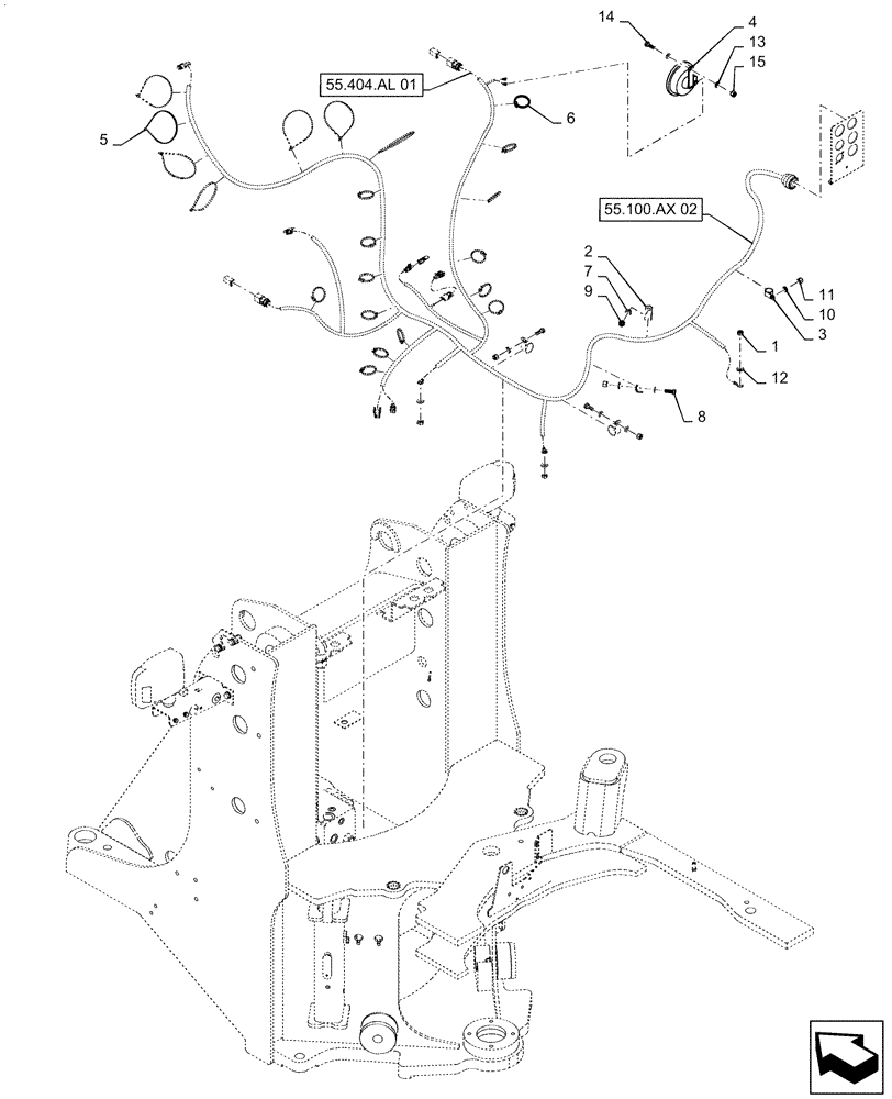
Запчасти Case 521F (55.100.AX[01]) - FRONT FRAME WIRE HARNESS INSTALLATION, XT (55) - ELECTRICAL SYSTEMS

Схема запчастей Case 521F - (55.100.AX[01]) - FRONT FRAME WIRE HARNESS INSTALLATION, XT (55) - ELECTRICAL SYSTEMS
55.404.al 01
15
5
12
1
14
13
6
4
7
2
9
3
8
10
11
55.100.ax 02
FIT
1:1
100%

Артикул

Название

Примечание

Количество

1

253347A1

NUT,Hex, M10 x 1.5

Brass

3шт.

2

515-24190

CLAMP,3/4", Insul, 7/16" Bolt

1шт.

3

515-21190

CLAMP,3/4", Insul, 1/4" Bolt

1шт.

4

87382200

HORN

300 Hz

1шт.

5

19-135

CABLE TIE

14" L

7шт.

6

L11541

CABLE TIE,203.2mm L, Nylon

19шт.

7

895-11010

WASHER,11mm ID x 20mm OD x 2mm Thk

7шт.

8

627-10030

BOLT,Hex, M10 x 1.5 x 30mm, Cl 10.9, Full Thd

3шт.

9

832-10410

NUT,M10 x 1.5, Cl 8

4шт.

10

895-11006

WASHER,6.6mm ID x 12mm OD x 1.6mm Thk

1шт.

11

832-10406

NUT,M6 x 1, Cl 8

1шт.

12

L127554

WASHER,0.395" ID x 0.875" OD x 0.064" Thk

3шт.

13

895-11008

WASHER,9mm ID x 16mm OD x 1.6mm Thk

2шт.

14

627-8025

BOLT,Hex, M8 x 1.25 x 25mm, Cl 10.9, Full Thd

1шт.

15

832-10408

NUT,M8 x 1.25, Cl 8.8

1шт.

Выбрано товаров: 15