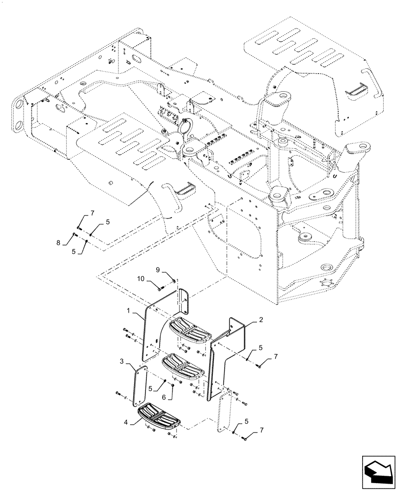
Запчасти Case 521F (90.118.BX[01]) - VAR - 782510 - RIGHT SIDE STEP INSTALLATION (90) - PLATFORM, CAB, BODYWORK AND DECALS

Схема запчастей Case 521F - (90.118.BX[01]) - VAR - 782510 - RIGHT SIDE STEP INSTALLATION (90) - PLATFORM, CAB, BODYWORK AND DECALS
7
6
9
5
1
5
5
3
5
2
4
10
7
5
8
7
FIT
1:1
100%

Артикул

Название

Примечание

Количество

1

84191122

BRACKET, SUPPORTING

Right Hand Step Support, Rear

1шт.

2

87609422

BRACKET

Right Hand Step Support, Front

1шт.

3

87559798

STRAP

Lower Entry

2шт.

4

47639539

STEP

Assembly, CE Gray

1шт.

5

895-11010

WASHER,11mm ID x 20mm OD x 2mm Thk

3шт.

6

832-10410

NUT,M10 x 1.5, Cl 8

32шт.

7

627-10035

BOLT,Hex, M10 x 1.5 x 35mm, Cl 10.9, Full Thd

16шт.

8

627-10040

BOLT,Hex, M10 x 1.5 x 40mm, Cl 10.9, Full Thd

16шт.

9

896-15012

WASHER,13.5mm ID x 28mm OD x 4mm Thk

4шт.

10

627-12045

BOLT,Hex, M12 x 1.75 x 45mm, Cl 10.9, Full Thd

4шт.

Выбрано товаров: 0