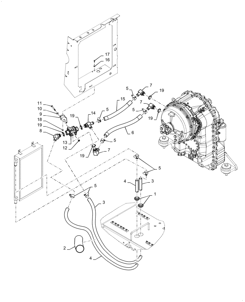
Запчасти Case 521F (21.105.AQ) - VAR - 424224 - TRANSMISSION HYDRAULIC LINES (21) - TRANSMISSION

Схема запчастей Case 521F - (21.105.AQ) - VAR - 424224 - TRANSMISSION HYDRAULIC LINES (21) - TRANSMISSION
12
10
5
18
19
11
5
4
7
4
19
5
15
14
8
5
5
19
9
3
2
19
17
19
6
7
13
1
16
3
5
7
FIT
1:1
100%

Артикул

Название

Примечание

Количество

1

248-1185

GROMMET,1 1/2" ID x 1 3/4" Groove Dia

Rubber

2шт.

2

47411482

PROTECTIVE SLEEVE

Sleeve

1шт.

3

84195577

HOSE

Cooler to, Valve

1шт.

4

84195576

HOSE

Valve to, Cooler

1шт.

5

87482165

HOSE CLAMP,1" - 1.75", Worm Gear

8шт.

6

84195579

HOSE

Transmission to, Valve

1шт.

7

87393628

ADAPTER,1" Hose Barb x 1-5/16" - 12 ORB

3шт.

8

87029968

HYD CONNECTOR

1шт.

9

84195575

BRACKET

Bypass Valve, CNH Black

1шт.

10

895-11010

WASHER,11mm ID x 20mm OD x 2mm Thk

4шт.

11

827-10090

BOLT,Hex, M10 x 1.5 x 90mm, Cl 10.9

2шт.

12

829-1410

NUT,M10 x 1.5, Cl 10.9

2шт.

13

84138750

VALVE

Bypass

1шт.

14

235067A1

TEE

1шт.

15

84195578

HOSE

Valve to, Transmission

1шт.

16

895-11008

WASHER,9mm ID x 16mm OD x 1.6mm Thk

4шт.

17

627-8020

BOLT,Hex, M8 x 1.25 x 20mm, Cl 10.9, Full Thd

2шт.

18

829-1408

NUT,Hex, M8 x 1.25, Cl 10.9

2шт.

19

237-6016

O-RING,0.116" Thk x 1.171" ID, -916, Cl 6, 90 Duro

5шт.

Выбрано товаров: 19