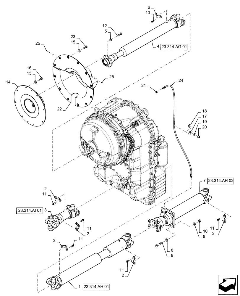
Запчасти Case 521F (23.314.AG[02]) - DRIVE SHAFT INSTALLATION (23) - FOUR WHEEL DRIVE SYSTEM

Схема запчастей Case 521F - (23.314.AG[02]) - DRIVE SHAFT INSTALLATION (23) - FOUR WHEEL DRIVE SYSTEM
23.314.ah 02
23
17
8
5
10
2
14
2
25
24
11
8
2
25
2
13
2
15
22
19
11
20
11
21
12
4
15
7
1
6
18
9
16
11
23.314.ai 01
23.314.ah 01
3
23.314.ag 01
11
FIT
1:1
100%

Артикул

Название

Примечание

Количество

1

84368436

DRIVE SHAFT

Center, 849mm / 33.4"

1шт.

2

L116943

SECURING STRAP

U-joint

10шт.

3

84368435

DRIVE SHAFT

Rear, 249mm / 9.8"

1шт.

4

86983613

DRIVE SHAFT

Engine, 816mm / 32.1"

1шт.

5

896-11010

WASHER,11mm ID x 21mm OD x 2.5mm Thk

6шт.

6

D137626

CLAMP,30.175mm D Clamping Pipe

U-joint Securing

2шт.

7

87613716

DRIVE SHAFT

Front, 602mm / 23.7"

1шт.

8

896-11012

WASHER,13.5mm ID x 24mm OD x 3mm Thk

8шт.

9

827-12060

BOLT,Hex, M12 x 1.75 x 60mm, Cl 10.9

4шт.

10

832-10412

NUT,M12 x 1.75, Cl 8

4шт.

11

19-6247

BOLT,3/8" - 24 x 0.75", Grade 8

20шт.

12

84349423

LOCK BOLT,Hex, M10 x 35mm, Cl 10.9

6шт.

13

D137627

BOLT,Hex Flg, 5/16" - 24 x 19.05mm

4шт.

14

442022A1

COUPLING

Drive Shaft

1шт.

15

896-15010

WASHER,11mm ID x 24mm OD x 3mm Thk

18шт.

16

627-10025

BOLT,Hex, M10 x 1.5 x 25mm, Cl 10.9, Full Thd

8шт.

17

515-2495

CLAMP,3/8", Insul, 7/16" Bolt

1шт.

18

896-15012

WASHER,13.5mm ID x 28mm OD x 4mm Thk

1шт.

19

895-11010

WASHER,11mm ID x 20mm OD x 2mm Thk

1шт.

20

832-10410

NUT,M10 x 1.5, Cl 8

1шт.

21

F53473

LOCK NUT,1/8-27 NPSM

1шт.

22

87725009

COVER

Dust

1шт.

23

806-10030

BOLT,Hex, M10 x 1.5 x 30mm, Cl 10.9

10шт.

24

L54694

HOSE,4.8mm ID x 1041mm L

Grease

1шт.

25

760-14113

SELF-TAP SCREW,Pan Hd, M3.5 x 13

2шт.

Выбрано товаров: 25