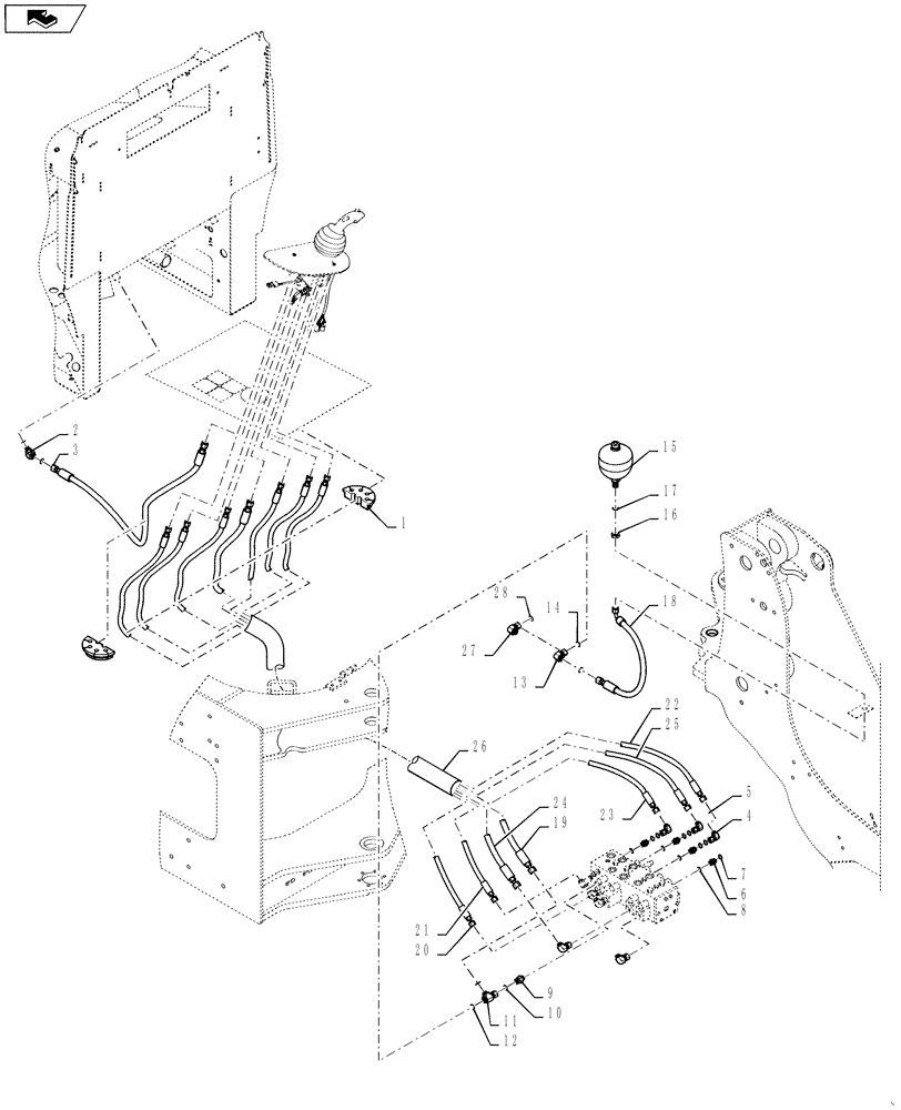
Запчасти Case 621F (35.357.07) - 3 SPOOL LINE INSTALLATION (NA/INT ONLY) (35) - HYDRAULIC SYSTEMS

Схема запчастей Case 621F - (35.357.07) - 3 SPOOL LINE INSTALLATION (NA/INT ONLY) (35) - HYDRAULIC SYSTEMS
5
4
10
23
28
22
21
27
15
13
25
1
12
9
18
8
16
home
2
6
3
20
7
26
17
14
24
19
11
FIT
1:1
100%

Артикул

Название

Примечание

Количество

1

380912A1

GROMMET

2шт.

2

700-315

ELBOW,45 Degree Elbow, 11/16" - 16 Male ORFS x M14 x 1.5 Male ORB

1шт.

3

392059A1

HOSE ASSY.

Pilot to Tank, 1294 mm (50 - 15/16 in)

1шт.

4

701-329

ELBOW,90 Degree Elbow, 9/16" - 18 Male ORFS x 9/16" - 18 Female ORFS

Incl 5

4шт.

5

238-6011

O-RING,0.07" Thk x 0.301" ID, -11, Cl 6, 90 Duro

4шт.

6

700-153

HYD CONNECTOR,9/16" - 18 Male ORFS x M14 x 1.5 Male ORB

Incl 7 - 8

4шт.

7

238-6012

O-RING,0.07" Thk x 0.364" ID, -12, Cl 6, 90 Duro

Face Seal

4шт.

8

637-63113

O-RING,2.2mm Thk x 11.3mm ID, Cl 6

4шт.

9

391859A1

VALVE, CHECK

Incl 10

1шт.

10

637-63113

O-RING,2.2mm Thk x 11.3mm ID, Cl 6

1шт.

11

701-422

TEE,11/16" - 16 Male ORFS x 11/16" - 16 Male ORFS x 11/16" - 16 Female ORFS

Incl 12

1шт.

12

238-6012

O-RING,0.07" Thk x 0.364" ID, -12, Cl 6, 90 Duro

1шт.

13

701-434

TEE,11/16" - 16 Male ORFS x 11/16" - 16 Male ORFS x 11/16" - 16 Female ORFS

Incl 14

1шт.

14

238-6012

O-RING,0.07" Thk x 0.364" ID, -12, Cl 6, 90 Duro

1шт.

15

8501047

ACCUMULATOR

Pilot Supply

1шт.

16

701-909

NUT,11/16" - 16

Incl 17

1шт.

17

238-6012

O-RING,0.07" Thk x 0.364" ID, -12, Cl 6, 90 Duro

1шт.

18

87308338

HOSE ASSY.

Pilot Accumulator, 621 mm (24 - 7/16 in)

1шт.

19

87651218

HOSE

Pilot Pressure, 2565 mm (101 in)

1шт.

20

87651219

HOSE

Pilot Lift, RH, Yellow and Black Banding, 2742 mm (107 - 15/16 in)

1шт.

21

87651220

HOSE

Pilot Tilt, LH, Orange and Black Banding, 2657 mm (104 - 19/32 in)

1шт.

22

87651221

HOSE

Pilot Lift, LH, Red and Black Banding, 2672 mm (105 - 3/16 in)

1шт.

23

87651222

HOSE

Pilot Tilt, LH, Green and Black Banding, 2577 mm (101 - 29/64 in)

1шт.

24

87651223

HOSE

Pilot 3 Spool, RH, Red and White Banding, 2865 mm (112 - 3/4 in)

1шт.

25

87651224

HOSE

Pilot 3 Spool, LH, Yellow and White Banding, 2806 mm (110 - 1/2 in)

1шт.

26

401526A1

HOSE PROTECTION,60mm ID x 1200mm L

1шт.

27

701-319

ELBOW,90° Elbow, 11/16" - 16 Male ORFS x 11/16" - 16 Female ORFS

Incl 28

1шт.

28

238-6012

O-RING,0.07" Thk x 0.364" ID, -12, Cl 6, 90 Duro

1шт.

Выбрано товаров: 28