Запчасти Case 621F (41.200.01) - STEERING NO JOYSTICK STANDARD (41) - STEERING

Схема запчастей Case 621F - (41.200.01) - STEERING NO JOYSTICK STANDARD (41) - STEERING
11
9
1
6
5
4
7
8
10
7
6
home
7
2
3
8
8
10
6
FIT
1:1
100%

Артикул

Название

Примечание

Количество

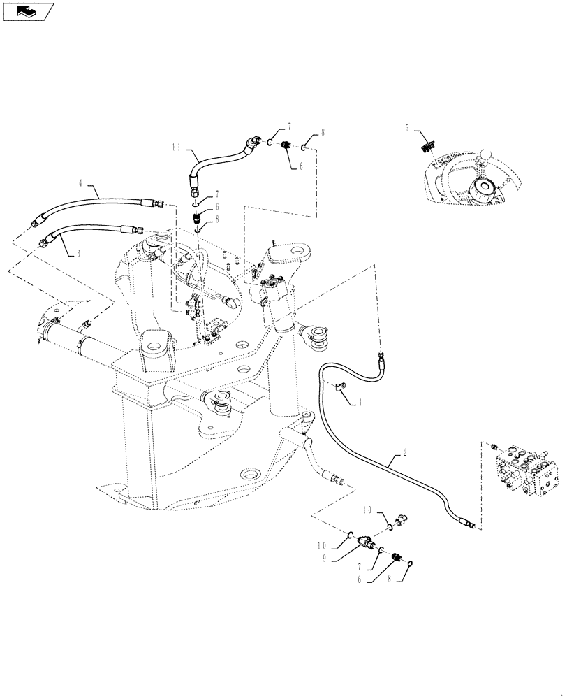
1

515-25159

CLAMP,5/8", Insul, 1/2" Bolt

Insulation

1шт.

2

87651227

HOSE

Steering Load Sense

1шт.

3

8602590

FLEXIBLE HOSE

RH Side Rod

1шт.

4

87519795

HOSE ASSY.

RH Side Base

1шт.

5

126844A1

PLUG,1.427” x .62” , Plastic

Switch Hole

1шт.

6

700-103

HYD CONNECTOR,1" - 14 Male ORFS x M22 x 1.5 Male ORB

Incl 7 - 8

3шт.

7

238-6016

O-RING,0.07" Thk x 0.614" ID, -16, Cl 6, 90 Duro

1шт.

8

637-63193

O-RING,2.2mm Thk x 19.3mm ID, Cl 6, 90 Duro

1шт.

9

701-433

TEE,1" - 14 Male ORFS x 1" - 14 Male ORFS x 1" - 14 Female ORFS

Incl 10

1шт.

10

9992069

O-RING,0.07" Thk x 0.614" ID, -16, Cl 6, 90 Duro

2шт.

11

87519793

HOSE ASSY.

Steering Return

1шт.

Выбрано товаров: 11