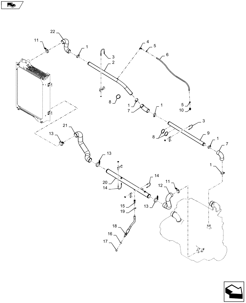
Запчасти Case 621F (10.400.06) - RADIATOR HOSE AND TUBE INSTALLATION (10) - ENGINE

Схема запчастей Case 621F - (10.400.06) - RADIATOR HOSE AND TUBE INSTALLATION (10) - ENGINE
22
1
home
14
3
13
13
5
1
1
8
11
17
1
14
8
7
18
16
3
15
12
20
21
5
1
2
9
10
4
19
6
13
7
11
FIT
1:1
100%

Артикул

Название

Примечание

Количество

1

214-1432

HOSE CLAMP,#32, 1.56" - 2.5", Type F Worm

5шт.

2

87552495

HYD TUBE,41.2 mm ID x 44.5 mm OD x 734, 322 mm L

Top Coolant

1шт.

3

382189A1

CLAMP

3шт.

4

217-292

FITTING,90 Degree Elbow, 1/4" Hose Barb x 1/8" Male NPTF

1шт.

5

214-1704

HOSE CLAMP,#04, 0.25" - 0.62", Type M Worm

2шт.

6

87552499

HOSE,6.40 mm ID x 1150.00 mm

Coolant Breather

1шт.

7

381232A1

HOSE,44.50 mm ID x 87.00 mm, SAE J20R4 Class D1

2шт.

8

L11541

CABLE TIE,203.2mm L, Nylon

3шт.

9

87446950

HYD TUBE,44.5 mm DIA x 767 mm L

Top Coolant Engine

1шт.

10

87635840

VALVE

Check Venting

1шт.

11

254026A1

HOSE CLAMP,44.45mm - 66.67mm

2шт.

12

8500084

HOSE,48.00 mm ID, 57.20 mm ID x 235.00 mm, SAE 20R4 Class D1

1шт.

13

L115548

CLAMP,57.15mm - 79.38mm

3шт.

14

393632A1

CLAMP

2шт.

15

214-1410

HOSE CLAMP,#10, 0.56" - 1.06", Type F Worm

1шт.

16

218-1255

BHD LOCK NUT,Blkhd, 3/4"-16

1шт.

17

218-755

CAP,37 Degree, 3/4"-16

1шт.

18

87536091

HOSE ASSY.

Remote Coolant Drain

1шт.

19

217-152

FITTING,1/2" Hose Barb x 3/8" Male NPTF

1шт.

20

84302103

TUBE

Bottom Coolant

1шт.

21

87552485

HOSE

Radiator, Bottom

1шт.

22

8500083

RADIATOR HOSE,44.50 mm ID x 165,105,79,61 mm, SAE 20R4 CLASS D1

Radiator, Top

1шт.

Выбрано товаров: 22