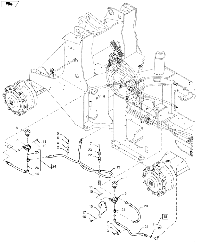
Запчасти Case 621F (33.202.AP[01]) - HEAVY DUTY, BRAKE LINE (33) - BRAKES & CONTROLS

Схема запчастей Case 621F - (33.202.AP[01]) - HEAVY DUTY, BRAKE LINE (33) - BRAKES & CONTROLS
14
9
15
23
24
12
25
9
21
4
11
13
22
26
5
8
18
10
2
8
20
19
10
16
24
7
17
11
2
6
3
1
FIT
1:1
100%

Артикул

Название

Примечание

Количество

1

515-24238

CLAMP,15/16", Insul, 7/16" Bolt

1шт.

2

832-10410

NUT,M10 x 1.5, Cl 8

2шт.

3

895-15010

WASHER,11mm ID x 24mm OD x 2mm Thk

1шт.

4

515-24222

CLAMP,7/8", Insul, 7/16" Bolt

1шт.

5

627-10030

BOLT,Hex, M10 x 1.5 x 30mm, Cl 10.9, Full Thd

1шт.

6

895-11010

WASHER,11mm ID x 20mm OD x 2mm Thk

2шт.

7

827-10100

BOLT,Hex, M10 x 1.5 x 100mm, Cl 10.9

2шт.

8

84393492

ACCUMULATOR

Brake Damping

2шт.

9

84272713

CLAMP,73mm - 79mm

Accumulator

2шт.

10

895-15008

WASHER,9mm ID x 20mm OD x 1.6mm Thk

6шт.

11

627-8025

BOLT,Hex, M8 x 1.25 x 25mm, Cl 10.9, Full Thd

4шт.

12

832-10408

NUT,M8 x 1.25, Cl 8.8

2шт.

13

84384080

HOSE ASSY.

Brake Valve To Damper, 2675.7mm Lg

1шт.

14

84384081

HOSE ASSY.

Brake Damper To Axle, 395.7mm Lg

1шт.

15

84382776

BRACKET, SUPPORTING

Brake Damper No Aux Steering

1шт.

16

895-18012

WASHER,13.5mm ID x 20mm OD x 2mm Thk

2шт.

17

627-12035

BOLT,Hex, M12 x 1.75 x 35mm, Cl 10.9, Full Thd

2шт.

18

701-320

ELBOW,90 Degree Elbow, 13/16" - 16 Male ORFS x 13/16" - 16 Female ORFS

Incl 19

1шт.

19

238-6014

O-RING,0.07" Thk x 0.489" ID, -14, Cl 6, 90 Duro

1шт.

20

84382783

HOSE ASSY.

Brake Damper to Axle No Aux Steering, 583mm Lg

1шт.

21

84382785

HOSE ASSY.

Brake Damper to Axle No Aux Steering, 645mm Lg

1шт.

22

367489A1

BLOCK

Tube Mounting

1шт.

23

367658A1

PLATE

Clamp Cover

1шт.

24

84218880

RUN TEE,13/16" - 16 ORFS x 13/16" - 16 ORFS x 9/16" - 18 ORB

Incl 25, 26

2шт.

25

238-6014

O-RING,0.07" Thk x 0.489" ID, -14, Cl 6, 90 Duro

2шт.

26

237-6006

O-RING,0.078" Thk x 0.468" ID, -906, Cl 6, 90 Duro

1шт.

Выбрано товаров: 26