Запчасти Case 621F (05.100.03[01]) - FILTERS (05) - SERVICE & MAINTENANCE

Схема запчастей Case 621F - (05.100.03[01]) - FILTERS (05) - SERVICE & MAINTENANCE
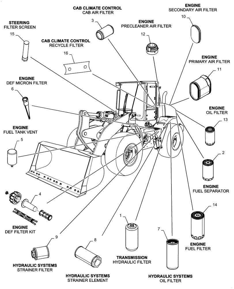
3
13
6
14
12
2
15
10
4
5
7
1
8
9
11
16
FIT
1:1
100%

Артикул

Название

Примечание

Количество

1

84491498

HYDRAULIC OIL FILTER

Transmission

1шт.

2

84348882

FUEL FILTER,97mm OD x 184mm L, M16 x 1.5, 30 Microns

Water Separator

1шт.

3

87712194

CAB FILTER,Standard

HVAC

1шт.

3

84234542

CAB FILTER,Carbon

HVAC

1шт.

4

47364243

FILTER

DEF/ADBLUE ECU

1шт.

5

47437399

FUEL FILTER

DEF/ADBLUE Tank Vent

1шт.

6

47680524

FILTER, DEF,100 Micron

DEF/ADBLUE Fill

1шт.

7

84196445

HYDRAULIC OIL FILTER

Return Line

1шт.

8

L128515

STRAINER ELEMENT

Hydraulic Tank

1шт.

9

47575681

FILTER STRAINER

Hydraulic Tank

1шт.

10

84579126

AIR FILTER

Cleaner, Secondary

1шт.

11

47446529

ELEMENT

Cleaner, FIlter, Primary

1шт.

12

258541A1

PRECLEANER

Hood, Intake

1шт.

13

4897898

ENGINE OIL FILTER,93.5mm OD x 173mm L, M27, 10 Microns

On Engine

1шт.

14

84412164

FUEL FILTER,94mm OD x 192mm L, M20 x 1.5, 10 Microns

On Engine

1шт.

15

L129303

FILTER SCREEN

Aux Steering Line

1шт.

16

84389987

AIR FILTER,Square, 415mm L x 164mm W, Paper

Cab Recirculation

1шт.

Выбрано товаров: 17