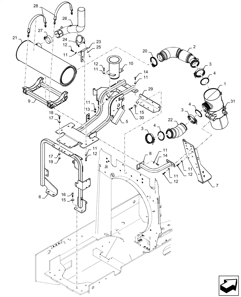
Запчасти Case 621F (10.254.AI) - EXHAUST SYSTEM, MUFFLER AND INTAKE (10) - ENGINE

Схема запчастей Case 621F - (10.254.AI) - EXHAUST SYSTEM, MUFFLER AND INTAKE (10) - ENGINE
2
11
25
11
20
28
3
12
14
9
3
3
6
24
13
10
23
12
4
1
5
12
16
19
29
18
15
4
31
21
8
14
4
26
22
11
12
11
11
17
17
15
27
30
12
11
11
11
7
FIT
1:1
100%

Артикул

Название

Примечание

Количество

1

47533531

MUFFLER

DOC Cluster

1шт.

2

47479039

EXHAUST SYSTEM PIPE

1шт.

3

47390967

CLAMP,123.5mm ID

4", Marmon

3шт.

4

84349222

GASKET,1.3mm Thk

4", Exhaust

3шт.

5

47436685

FRAME

Muffler

1шт.

6

47510413

SUPPORT

Muffler

1шт.

7

47647166

BRACKET

DOC Support

1шт.

8

47436688

SUPPORT

SCR - DOC

1шт.

9

47476072

FRAME

SCR Cradle

1шт.

10

47412008

TUBE

Air Intake, Under Hood

1шт.

11

896-15010

WASHER,11mm ID x 24mm OD x 3mm Thk

24шт.

12

627-10035

BOLT,Hex, M10 x 1.5 x 35mm, Cl 10.9, Full Thd

15шт.

13

832-10410

NUT,M10 x 1.5, Cl 8

3шт.

14

627-10030

BOLT,Hex, M10 x 1.5 x 30mm, Cl 10.9, Full Thd

6шт.

15

86592701

WASHER,13mm ID x 35mm OD x 5mm Thk

10шт.

16

827-12050

BOLT,Hex, M12 x 1.75 x 50mm, Cl 10.9

6шт.

17

896-11012

WASHER,13.5mm ID x 24mm OD x 3mm Thk

6шт.

18

627-12040

BOLT,Hex, M12 x 1.75 x 40mm, Cl 10.9, Full Thd

3шт.

19

832-10412

NUT,M12 x 1.75, Cl 8

3шт.

20

47423211

CLAMP,118mm - 124mm

Exhaust Flap

1шт.

21

47606526

MUFFLER

SCR Cluster

1шт.

22

47436689

PIPE

Exhaust System

1шт.

23

47553653

BRACKET

Muffler Support

1шт.

24

BN2400371

CLAMP

Muffler

1шт.

25

895-15010

WASHER,11mm ID x 24mm OD x 2mm Thk

2шт.

26

47454008

PIPE

Exhaust System

1шт.

27

84140242

CLAMP

Tube

1шт.

28

47472949

STRAP

DOC - SCR

2шт.

29

84601147

SUPPORT

Muffler

1шт.

30

827-12045

BOLT,Hex, M12 x 1.75 x 45mm, Cl 10.9, Full Thd

4шт.

31

47615303

BRACKET

Doc Mount

1шт.

Выбрано товаров: 31