Запчасти Case 721F (21.109.01) - HYDRAULICS - TRANSMISSION 4 AND 5-SPEED (21) - TRANSMISSION

Схема запчастей Case 721F - (21.109.01) - HYDRAULICS - TRANSMISSION 4 AND 5-SPEED (21) - TRANSMISSION
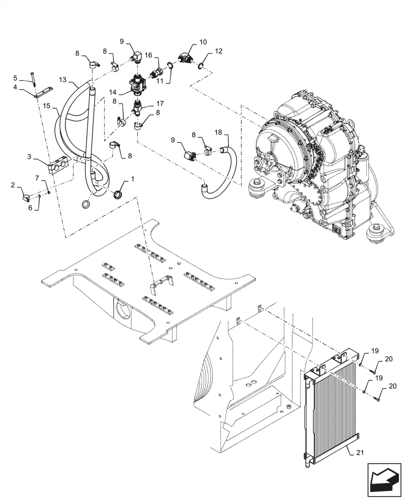
16
8
15
6
10
13
17
8
14
18
8
12
4
3
2
20
19
19
1
5
9
9
21
7
8
20
8
11
8
FIT
1:1
100%

Артикул

Название

Примечание

Количество

1

248-1185

GROMMET,1 1/2" ID x 1 3/4" Groove Dia

2шт.

2

515-23381

CLAMP,1 1/2", Insul, 3/8" Bolt

1шт.

3

8500576

CLAMP

Block, Double

1шт.

4

8500583

PLATE

Clamp Cover, Plated

1шт.

5

827-10090

BOLT,Hex, M10 x 1.5 x 90mm, Cl 10.9

3шт.

6

895-15008

WASHER,9mm ID x 20mm OD x 1.6mm Thk

1шт.

7

832-10408

NUT,M8 x 1.25, Cl 8.8

1шт.

8

87482165

HOSE CLAMP,1" - 1.75", Worm Gear

6шт.

9

87393628

ADAPTER,1" Hose Barb x 1-5/16" - 12 ORB

90 Bead Hose, 1.0ID X 1-5/16-12

2шт.

10

201-308

ELBOW,90 Degree Elbow, 1-7/16" - 12 Male ORFS x 1-5/16" - 12 Male ORB

2шт.

11

237-6016

O-RING,0.116" Thk x 1.171" ID, -916, Cl 6, 90 Duro

2шт.

12

238-6021

O-RING,15/16 X 1 - 1/16, Cl 6

2шт.

13

84195582

HOSE,25.4mm ID x 2100mm L

Valve To Cooler

1шт.

14

84138750

VALVE

Bypass

1шт.

15

84195583

HOSE

Cooler To Valve

1шт.

16

87672177

HYD CONNECTOR

16 Sae Str Thrd ORFS Swvl

1шт.

17

235067A1

TEE

Adj. Run x 1 Hose Barb

1шт.

18

84195584

HOSE

Valve To Transmission

1шт.

19

892-11008

LOCK WASHER,8mm ID

2шт.

20

627-8035

BOLT,Hex, M8 x 1.25 x 35mm, Cl 10.9, Full Thd

2шт.

21

8501295

OIL COOLER

Transmission, Standard

1шт.

21

87740230

COOLER

Transmission, Commoditiy King

1шт.

Выбрано товаров: 22